Запчасти Komatsu GD521A-1 ЭЛЕКТРИКА (ЦЕНТР.) КОМПОНЕНТЫ ДВИГАТЕЛЯ И ЭЛЕКТРИКА

Схема запчастей Komatsu GD521A-1 - ЭЛЕКТРИКА (ЦЕНТР.) КОМПОНЕНТЫ ДВИГАТЕЛЯ И ЭЛЕКТРИКА
FIT
1:1
100%

Артикул

Название

Примечание

Количество

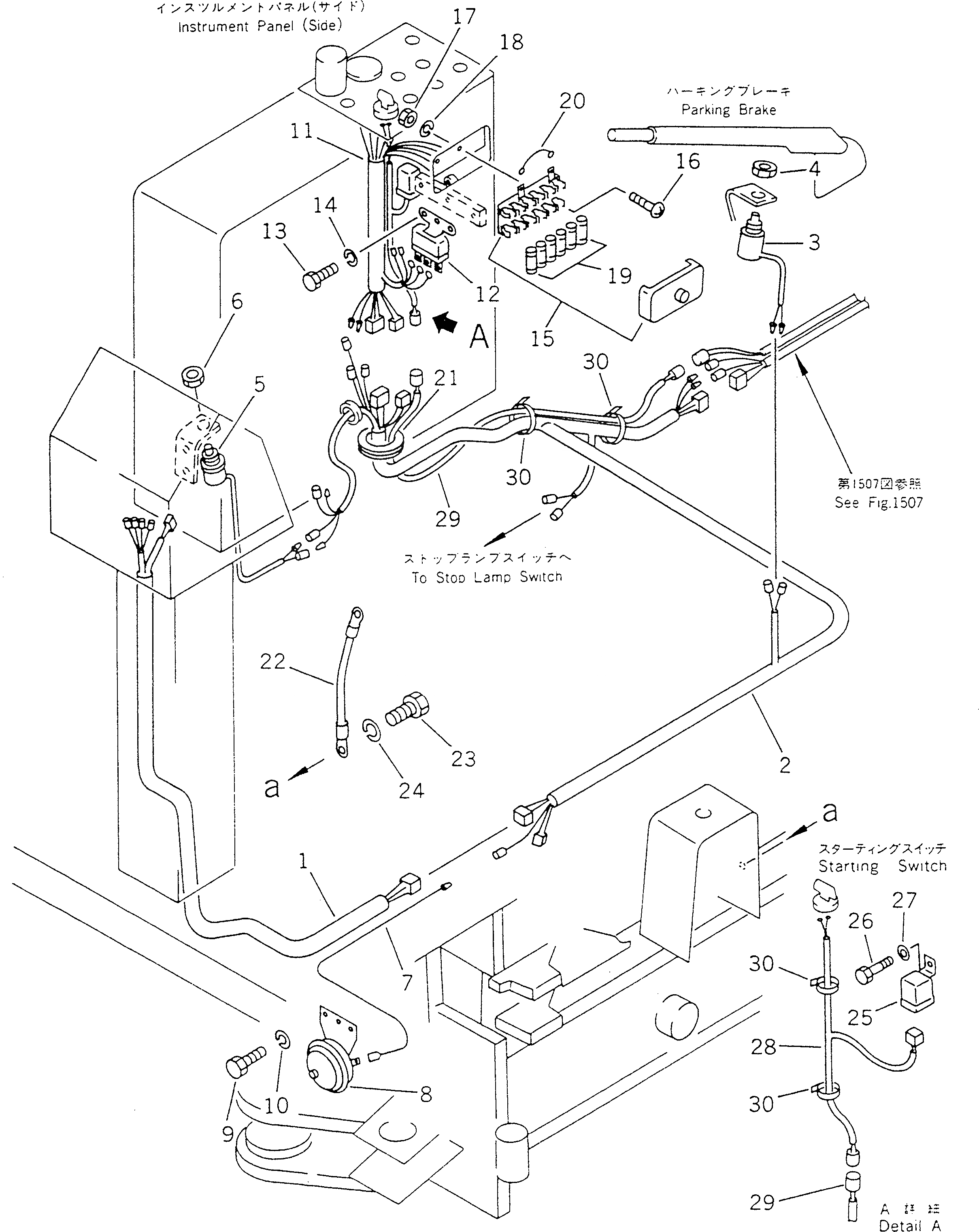
1

23B-06-11180

WIRE ASS'Y

SN: 10001-UP

1шт.

2

23A-06-13120

WIRE ASS'Y

SN: 10044-UP

1шт.

2

23B-06-11430

WIRE ASS'Y

SN: 10001-10043

1шт.

3

234-06-13361

SWITCH,PARKING BRAKE

SN: 10001-UP

1шт.

4

234-06-13380

NUT

SN: 10001-UP

1шт.

5

08074-40000

SWITCH,SAFETY

SN: 10001-UP

1шт.

6

236-06-23230

NUT

SN: 10001-UP

1шт.

7

23B-06-11330

WIRING HARNESS

SN: 10001-UP

1шт.

8

08160-52400

HORN

SN: 10001-UP

1шт.

9

01010-50814

BOLT

SN: 10001-UP

2шт.

10

01643-30823

WASHER

SN: 10001-UP

2шт.

11

23A-06-13110

WIRE ASS'Y

SN: 10044-UP

1шт.

11

23B-06-11230

WIRE ASS'Y

SN: 10001-10043

1шт.

12

08163-02400

RELAY,HORN

SN: 10001-UP

1шт.

13

01010-50612

BOLT

SN: 10001-UP

2шт.

14

01643-30623

WASHER

SN: 10001-UP

2шт.

15

08043-16000

BOX,FUSE

SN: 10001-UP

1шт.

16

01220-40520

SCREW

SN: 10001-UP

2шт.

17

01580-10504

NUT

SN: 10001-UP

2шт.

18

01601-20513

WASHER,SPRING

SN: 10001-UP

2шт.

19

08040-01000

FUSE, 10A

SN: 10001-UP

5шт.

19

08040-04000

FUSE, 40A

SN: 10001-UP

1шт.

20

234-06-11531

CABLE

SN: 10001-UP

1шт.

21

08037-05016

GROMMET

SN: 10001-UP

1шт.

22

238-06-11160

CABLE

SN: 10001-UP

1шт.

23

01010-51016

BOLT

SN: 10001-UP

2шт.

24

01643-31032

WASHER

SN: 10001-UP

2шт.

25

569-06-61960

RELAY

SN: 10075-UP

1шт.

26

01010-50612

BOLT

SN: 10075-UP

1шт.

27

01643-30623

WASHER

SN: 10075-UP

1шт.

28

23E-06-11610

HARNESS

SN: 10075-UP

1шт.

29

23E-06-11620

HARNESS

SN: 10075-UP

1шт.

30

08034-00414

BAND

SN: 10075-UP

4шт.

Выбрано товаров: 33