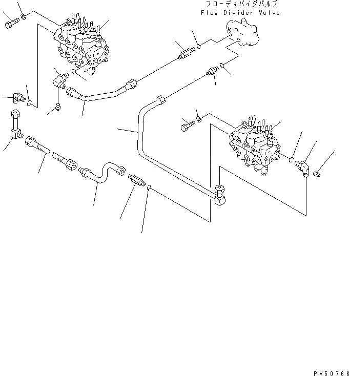
Запчасти Komatsu GD521A-1 ГИДРОЛИНИЯ (ПОТОК DIVEDER КЛАПАН - УПРАВЛЯЮЩ. КЛАПАН) ГИДРАВЛИКА

Схема запчастей Komatsu GD521A-1 - ГИДРОЛИНИЯ (ПОТОК DIVEDER КЛАПАН - УПРАВЛЯЮЩ. КЛАПАН) ГИДРАВЛИКА
1
2
3
3
4
5
6
7
8
8
9
9
10
11
12
12
13
13
14
15
16
17
18
19
19
FIT
1:1
100%

Артикул

Название

Примечание

Количество

1

23B-60-14410

NIPPLE

SN: 10001-UP

1шт.

2

23B-60-14420

NIPPLE

SN: 10001-UP

1шт.

3

238-40-16140

O-RING

SN: 10001-UP

2шт.

4

23B-60-16170

TUBE

SN: 10001-UP

1шт.

5

07108-20503

HOSE

SN: 10001-UP

1шт.

6

23B-60-14430

ELBOW

SN: 10001-UP

1шт.

7

23B-60-14440

ELBOW

SN: 10001-UP

1шт.

8

07042-50108

PLUG

SN: 10001-UP

2шт.

9

07000-12018

O-RING

SN: 10044-UP

2шт.

9

0

O-RING

SN: 10001-10043

2шт.

10

23A-60-12500

CONTROL VALVE ASS'Y

SN: 10001-UP

1шт.

11

23A-60-12200

CONTROL VALVE ASS'Y

SN: 10001-UP

1шт.

12

01010-50830

BOLT

SN: 10001-UP

6шт.

13

01643-30823

WASHER

SN: 10001-UP

6шт.

14

23B-60-16180

TUBE

SN: 10001-UP

1шт.

15

07108-20503

HOSE

SN: 10001-UP

1шт.

16

23B-60-16191

TUBE

SN: 10001-UP

1шт.

17

235-60-15410

NIPPLE

SN: 10001-UP

1шт.

18

23B-60-14450

ELBOW

SN: 10001-UP

1шт.

19

07000-12018

O-RING

SN: 10044-UP

2шт.

19

0

O-RING

SN: 10001-10043

2шт.

Выбрано товаров: 21