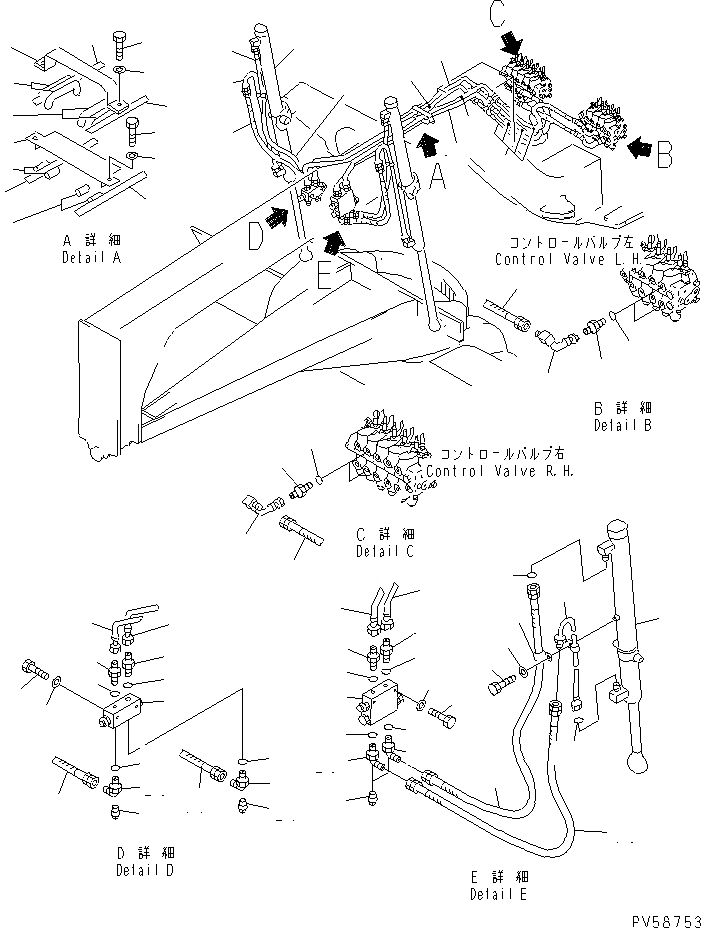
Запчасти Komatsu GD521A-1E ГИДРОЛИНИЯ (ЦИЛИНДР ПОДЪЕМА ОТВАЛА ЛИНИЯ)(№-) ГИДРАВЛИКА

Схема запчастей Komatsu GD521A-1E - ГИДРОЛИНИЯ (ЦИЛИНДР ПОДЪЕМА ОТВАЛА ЛИНИЯ)(№-) ГИДРАВЛИКА
1
2
3
3
4
4
5
5
5
6
6
6
7
7
7
8
8
8
9
9
9
10
10
10
10
11
11
11
11
11
11
11
11
12
13
14
14
15
15
16
16
16
17
17
17
17
18
19
20
20
20
20
21
21
21
22
22
23
23
24
25
26
27
28
29
30
30
31
31
32
32
33
33
FIT
1:1
100%

Артикул

Название

Примечание

Количество

1

23A-60-14111

TUBE

SN: 12001-@

2шт.

2

23A-60-14131

TUBE

SN: 12001-@

2шт.

3

237-60-23120

NIPPLE

SN: 12001-@

4шт.

4

07000-12018

O-RING

SN: 12001-@

4шт.

5

230-09-23100

HOSE

SN: 12001-@

4шт.

6

23A-60-14161

TUBE

SN: 12001-@

1шт.

7

23A-60-14171

TUBE

SN: 12001-@

1шт.

8

23A-60-14181

TUBE

SN: 12001-@

1шт.

9

23A-60-14191

TUBE

SN: 12001-@

1шт.

10

07230-10422

UNION

SN: 12001-@

4шт.

11

07002-12034

O-RING

SN: 12001-@

8шт.

12

235-61-14500

VALVE ASS'Y,PILOT CHECK, L.H.

SN: 12001-@

1шт.

13

235-61-14600

VALVE ASS'Y,PILOT CHECK, R.H.

SN: 12001-@

1шт.

14

01010-50855

BOLT

SN: 12001-@

4шт.

15

01643-30823

WASHER

SN: 12001-@

4шт.

16

230-09-03100

HOSE

SN: 12001-@

2шт.

17

230-09-03150

HOSE

SN: 12001-@

2шт.

18

23B-60-16970

TUBE

SN: 12001-12211

1шт.

19

23B-60-16980

TUBE

SN: 12001-12211

1шт.

20

07235-50315

ELBOW

SN: 12001-@

4шт.

21

07042-50108

PLUG

SN: 12001-@

4шт.

22

07002-12034

O-RING

SN: 12001-@

4шт.

23

238-63-12302

CYLINDER ASS'Y,BLADE LIFT

SN: 12001-12211

2шт.

24

232-60-63160

CLIP

SN: 12001-12211

2шт.

25

08036-01814

CLIP

SN: 12001-12211

2шт.

26

01010-51016

BOLT

SN: 12001-12211

2шт.

27

01641-21016

WASHER

SN: 12001-12211

2шт.

28

23B-60-16620

PLATE

SN: 12001-@

1шт.

29

23B-60-16630

PLATE

SN: 12001-@

1шт.

30

01010-51020

BOLT

SN: 12001-@

4шт.

31

01643-31232

WASHER

SN: 12001-@

4шт.

32

23A-40-12270

TUBE

SN: 12001-@

4шт.

33

23A-60-16960

TUBE

SN: 12001-@

4шт.

Выбрано товаров: 33