Качественные детали и логистика
Оригинальные и аналоговые запчасти с доставкой по России, Казахстану и Беларуси
©2022 PartSell ООО "Система" ИНН 2463123282 ОГРН 1212400004838
Центральный офис: г. Красноярск, Академика Киренского, д.87, пом.4
Телефон: 8 (800) 777-65-74 Email: zakaz@partsell.ru
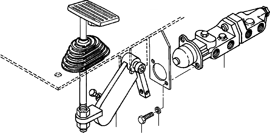
ТОРМОЗНОЙ КЛАПАН МЕХАНИЗМ
№
Артикул
Название
Примечание
Количество
1
PEDAL, BRAKE (SEE PG 12-024)
-29шт.
2
VALVE, BRAKE (SEE PG 04-008)
3
1430 087 H1
BOLT
2шт.
4
934 309 R1
WASHER, FLAT
Выбрано товаров: 0