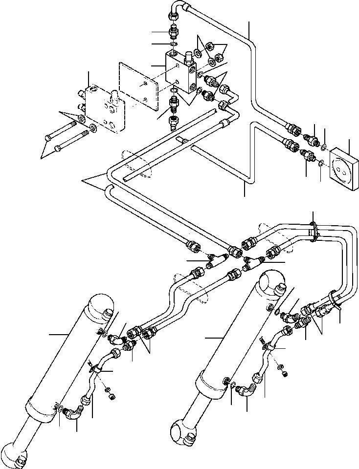
Запчасти Komatsu GD530A-1 SCARIFIER ЦИЛИНДР ЛИНИЯ АКТУАТОРАS ГИДРАВЛS

Схема запчастей Komatsu GD530A-1 - SCARIFIER ЦИЛИНДР ЛИНИЯ АКТУАТОРАS ГИДРАВЛS
4
11
24
12
7
7
9
8
6
11
7
3
6
2
1
10
13
3
2
5
16
14
14
18
17
18
17
16
19
19
15
20
21
15
20
21
22
18
23
22
18
23
FIT
1:1
100%

Артикул

Название

Примечание

Количество

1

VALVE, SCARIFIER (SEE PG 10-112)

-29шт.

2

570 828 R1

O-RING

2шт.

3

9410 203

CONNECTOR

2шт.

4

1253 470 H1

HOSE

1шт.

5

1253 057 H1

HOSE

1шт.

6

9410 203

CONNECTOR

3шт.

7

570 828 R1

O-RING

4шт.

8

VALVE, DUAL PILOT CHECK & RELIEF (SEE PG 10-132)

-29шт.

9

VALVE, DUAL COUNTERBALANCE & RELIEF (SEE PG 10-078)

-29шт.

10

26 043 R1

BOLT

2шт.

11

27 326 R1

WASHER, FLAT

4шт.

12

9413 977

NUT, HEX

2шт.

13

1268 217 H1

HOSE

2шт.

14

9402 982

TEE

2шт.

15

1430 795 H1

HOSE

4шт.

16

935 522 C1

STRAP, TIE

4шт.

17

9411 105

ELBOW - 45°

2шт.

18

570 828 R1

O-RING

4шт.

19

CYLINDER, SCARIFIER (SEE PG 10-166)

-29шт.

20

9402 787

UNION

2шт.

21

136 988

CLAMP, TUBE

2шт.

|$21

48 204

STUD, WELD

2шт.

|$22

25 544 R1

WASHER, FLAT

2шт.

|$23

25 522 R1

NUT, HEX

2шт.

22

148 816

TUBE

2шт.

23

9410 977

ELBOW - 90°

2шт.

24

9410 229

CONNECTOR - LONG

1шт.

|$30

-1шт.

|$28

F1 - REPLACES ITEM 4, PG 10-089

-1шт.

|$29

USE EXISTING WASHERS AND NUTS

-1шт.

Выбрано товаров: 0