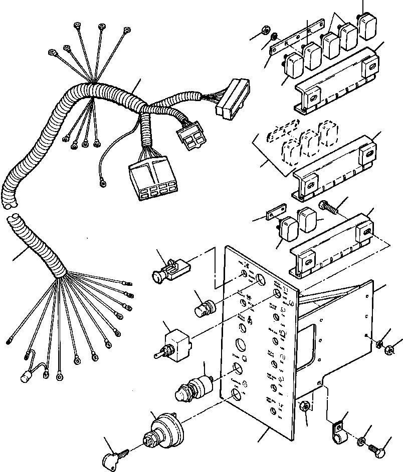
Запчасти Komatsu GD530A-1 КОНСОЛЬ ПЕРЕКЛЮЧАТЕЛЬ ПАНЕЛЬ INSTRUMENTS

Схема запчастей Komatsu GD530A-1 - КОНСОЛЬ ПЕРЕКЛЮЧАТЕЛЬ ПАНЕЛЬ INSTRUMENTS
6
7
6
8
2
3
4
1
5
8
23
10
8
6
9
22
5
1
11
21
20
3
2
19
17
14
13
18
12
15
16
FIT
1:1
100%

Артикул

Название

Примечание

Количество

|$0

1283 774 H91

PANEL, CONSOLE SWITCH

1шт.

1

1284 316 H93

HARNESS, CONSOLE SWITCH PANEL

1шт.

2

120 614

NUT, HEX

-2шт.

3

120 217

WASHER, LOCK

-2шт.

4

1269 776 H1

BAR, BUSS - 5 HOLE

1шт.

5

1128 385 C1

BREAKER, CIRCUIT - 5 AMP

-2шт.

6

714 249 C1

BREAKER, CIRCUIT - 15 AMP

-2шт.

7

714 248 C1

BREAKER, CIRCUIT - 10 AMP

-2шт.

8

1202 952 C1

BRACKET, CIRCUIT BREAKER MOUNTING

3шт.

9

1106 459 C1

BAR, BUSS - 2 HOLE

a

1шт.

|$10

1106 460 C1

BAR, BUSS - 3 HOLE

b

1шт.

|$11

1106 461 C1

BAR, BUSS - 4 HOLE

c

1шт.

10

160 035

SCREW, PAN HEAD

6шт.

11

1284 853 H91

PANEL WELDMENT, SWITCH

1шт.

12

25 222 R1

BOLT

1шт.

13

25 542 R1

WASHER, FLAT

1шт.

14

98 959 R1

CLAMP, CABLE

1шт.

15

25 519 R1

NUT, HEX

1шт.

16

1283 775 H2

PROGRAPHIC, SWITCH PANEL

1шт.

17

1138 868 C1

SWITCH, IGNITION

1шт.

18

1214 890 H2

KEY

2шт.

19

453 453 C1

SWITCH, PUSH BUTTON START

1шт.

20

1258 406 H1

SWITCH, HEAD LIGHT

1шт.

21

1270 235 H91

LIGHT, ILLUMINATING

a

1шт.

|$24

1283 725 H91

LIGHT, ILLUMINATING

b

1шт.

|$25

274 019

BULB - 28 VOLT

1шт.

22

1268 208 H91

SWITCH, PARKING BRAKE

1шт.

|$27

1270 099 H1

KNOB

1шт.

N/I

46 598

CABLE -IGNITION SWITCH TO CIRCUIT BREAKER

2шт.

23

SEE OPTIONAL LIGHTING SYSTEMS

-1шт.

Выбрано товаров: 0