Запчасти Komatsu GD530A-1 ПОЛ КАБИНЫ POWER

Схема запчастей Komatsu GD530A-1 - ПОЛ КАБИНЫ POWER
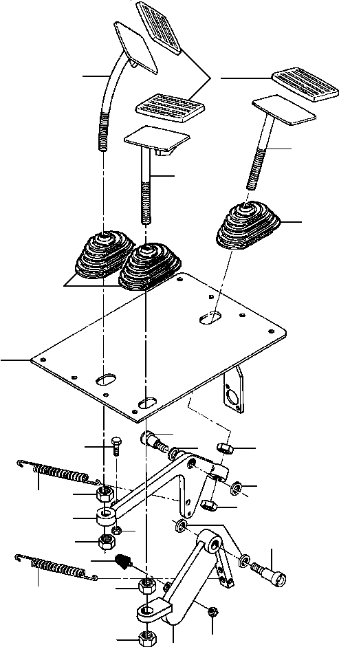
2
1
4
3
5
5
18
7
14
8
6
8
6
17
9
16
8
15
9
7
10
6
13
9
11
12
FIT
1:1
100%

Артикул

Название

Примечание

Количество

|$0

1431 481 H91

PLATE ASSEMBLY, FLOOR

1шт.

1

166 880 R1

PAD, PEDAL

3шт.

N/I

104 696

ADHESIVE - 1 QT CAN

-2шт.

2

1297 128 H91

PEDAL, ACCELERATOR

1шт.

3

1297 204 H91

PEDAL, BRAKE

1шт.

4

1297 131 H91

PEDAL, DECELERATOR

1шт.

5

1284 512 H1

BOOT

3шт.

6

25 528 R1

NUT, HEX

3шт.

7

1253 043 H1

BOLT, SHOULDER

2шт.

8

1253 026 H2

WASHER, BEARING

-2шт.

9

21 620 R1

NUT, LOCK

3шт.

10

1431 476 H1

BUMPER

1шт.

11

25 520 R1

NUT, HEX

1шт.

12

1281 881 H91

PEDAL WELDMENT, BRAKE

1шт.

|$14

120 437 H45

BEARING, TEFLON

2шт.

13

1249 149 H1

SPRING, BRAKE RETURN

1шт.

14

25 234 R1

BOLT

2шт.

15

411 597 R1

NUT, LOCK

3шт.

16

1281 875 H91

PEDAL WELDMENT, ACCELERATOR/DECELERATOR

1шт.

|$19

120 437 H45

BEARING, TEFLON

2шт.

17

30 746 A

SPRING, ACCELERATOR/DECELERATOR RETURN

1шт.

18

1431 901 H91

PLATE WELDMENT, FLOOR

1шт.

Выбрано товаров: 0