Запчасти Komatsu GD530A-1 ДВОРНИКИ МОТОР PANTOGRAPH РУКОЯТЬ SUPERSTRUCTURE

Схема запчастей Komatsu GD530A-1 - ДВОРНИКИ МОТОР PANTOGRAPH РУКОЯТЬ SUPERSTRUCTURE
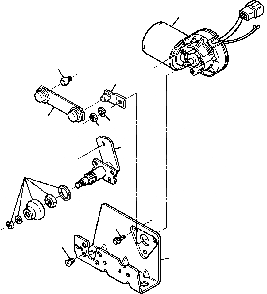
1
7
5
11
3
4
10
8
2
9
6
FIT
1:1
100%

Артикул

Название

Примечание

Количество

|$0

1223 364 H91

MOTOR ASSEMBLY, WINDSHIELD WIPER

2шт.

1

1200 849 H1

MOTOR, WIPER

1шт.

2

1207 243 H1

BOLT & WASHER

3шт.

3

1207 244 H1

WASHER, LOCK

1шт.

4

30 167 R1

NUT, HEX

1шт.

5

1207 022 H1

CRANK, MOTOR

1шт.

6

1210 047 H1

BRACKET

1шт.

7

1207 020 H1

BALL, PIVOT

1шт.

8

1207 046 H91

KIT, HARDWARE

1шт.

|$9

NSS

WASHER, LOCK - INNER

1шт.

|$10

NSS

NUT, HEX - INNER

1шт.

|$11

NSS

CAP, PROTECTIVE

1шт.

|$12

NSS

WASHER, LOCK - OUTER

1шт.

|$13

NSS

NUT, HEX - OUTER

1шт.

9

1210 045 H1

SCREW, PIVOT

4шт.

10

1295 115 H1

PIVOT, WIPER ARM

1шт.

11

1295 114 H1

LINK, CONNECTING

1шт.

Выбрано товаров: 0