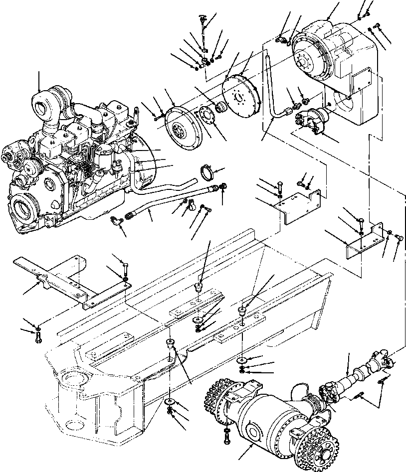
Запчасти Komatsu GD530A-1 ПРИВОД ЛИНИЯ ПРИВОД TRAIN

Схема запчастей Komatsu GD530A-1 - ПРИВОД ЛИНИЯ ПРИВОД TRAIN
19
21
14
11
15
12
10
13
9
8
22
23
49
7
7
1
6
5
4
3
25
16
26
24
20
2
9
27
38
28
29
30
31
29
45
30
44
41
32
40
43
33
39
42
29
30
28
27
33
34
36
30
30
35
37
46
34
30
35
33
34
47
30
35
48
17
18
7
FIT
1:1
100%

Артикул

Название

Примечание

Количество

1

1278 633 H92

ENGINE, DRESSER - KDC 610T

1шт.

2

364 360 C1

HOSE, BREATHER - 36 IN

1шт.

3

25 774 R1

BOLT

8шт.

4

25 534 R1

WASHER, FLAT

8шт.

5

FLYWHEEL (SEE PG E2-008)

-29шт.

6

1243 452 H1

SLEEVE

1шт.

7

630 402 C1

WASHER, SPECIAL

11шт.

8

359 105 R1

SPACER

1шт.

9

134 053 H1

CLAMP

2шт.

10

152 815

CLAMP, HOSE

2шт.

11

122 851

DIPSTICK

1шт.

12

25 534 R1

WASHER, FLAT

1шт.

13

30 025 R1

BOLT

1шт.

14

9410 981

ELBOW

1шт.

15

296 247 R1

O-RING

1шт.

16

160 991

TUBE, DIPSTICK

1шт.

17

9402 713

CONNECTOR

1шт.

18

150 615

BUSHING, REDUCER

1шт.

19

30 976 R1

BOLT

9шт.

20

27 702 R1

CLAMP, HOSE

1шт.

21

TRANSMISSION (SEE PG 07-006)

-29шт.

22

PLATE ASSEMBLY, CONVERTER DRIVE (SEE PG 07-006)

-29шт.

23

PLATE, DRIVE (SEE PG 07-006)

-29шт.

24

RING (SEE PG 07-006)

-29шт.

25

BOLT (SEE PG 07-006)

-29шт.

26

YOKE (SEE PG 07-006)

-29шт.

27

24 887 R1

BOLT

6шт.

28

25 538 R1

WASHER, FLAT

6шт.

29

24 881 R1

BOLT

8шт.

30

25 537 R1

WASHER, FLAT

17шт.

31

159 823

BRACKET, TRANSMISSION MOUNTING - R.H

1шт.

32

159 824

BRACKET, TRANSMISSION MOUNTING - L.H

1шт.

33

58 502

MOUNT, RUBBER

8шт.

34

65 536

WASHER, FLAT

8шт.

35

9412 231

NUT, LOCK

8шт.

36

1223 598 H91

SUPPORT WELDMENT, RADIATOR & ENGINE

1шт.

37

27 415 R1

BOLT

1шт.

38

386 170 C1

STRAP, TIE

1шт.

39

1243 935 H1

ELBOW

1шт.

|$39

1240 123 H1

WASHER, SEALING

1шт.

40

1218 008 H1

HOSE

1шт.

41

299 412 C1

CLAMP

1шт.

42

25 483 R1

BOLT

1шт.

43

25 532 R1

WASHER, FLAT

1шт.

44

25 519 R1

NUT, HEX

1шт.

45

9403 333

PLUG

1шт.

46

SHAFT, DRIVE (SEE PG 07-036)

-29шт.

47

1277 829 H1

BOLT

8шт.

48

DRIVE ASSEMBLY, FINAL (SEE PG 07-038)

-29шт.

49

30 022 R1

BOLT

1шт.

|$53

-1шт.

|$51

F1 - SEE SECTION E1 FOR ENGINE PARTS

-1шт.

|$54

-1шт.

Выбрано товаров: 0