Запчасти Komatsu GD530A-1 ТОПЛИВН. НАСОС ТОПЛИВН. СИСТЕМА

Схема запчастей Komatsu GD530A-1 - ТОПЛИВН. НАСОС ТОПЛИВН. СИСТЕМА
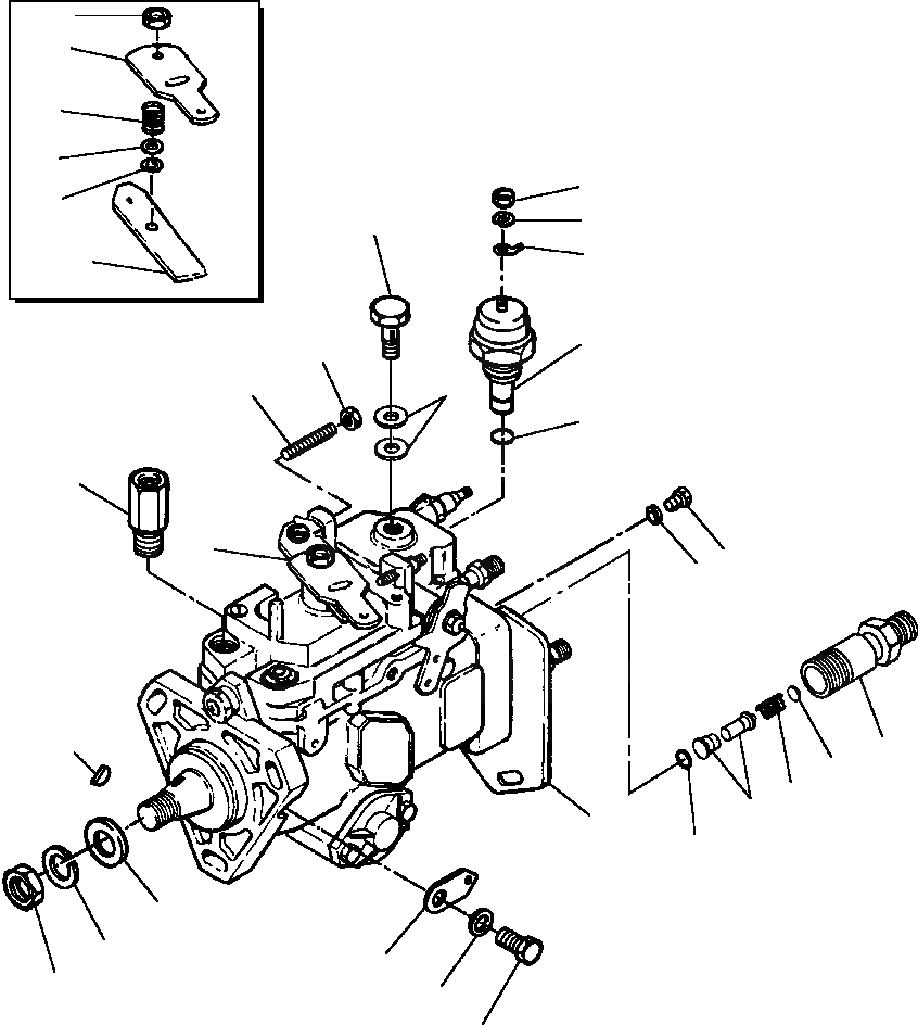
20
9
21
22
25
23
6
26
3
7
13
2
8
18
27
5
12
31
30
29
28
19
32
1
11
17
10
16
15
14
24
4
FIT
1:1
100%

Артикул

Название

Примечание

Количество

|$0

1282 067 H91

PUMP, FUEL INJECTION

1шт.

1

1240 643 H1

SEAL, SHAFT

1шт.

2

1240 203 H1

WASHER, PLAIN

2шт.

3

1240 800 H1

BLADE, TERMINAL

1шт.

4

1240 646 H1

SCREW, VENT

1шт.

5

1240 647 H1

GASKET, VENT SCREW

1шт.

6

1240 744 H1

SCREW, BANJO CONNECTOR

1шт.

7

1240 649 H1

KIT, SOLENOID - 24V

1шт.

8

1240 650 H1

O-RING

1шт.

9

1240 836 H1

LEVER, FUEL PUMP CONTROL - 2 PIECE

1шт.

10

1240 656 H1

NUT, HEX

1шт.

11

1238 107 H1

WASHER, LOCK

1шт.

12

1240 193 H1

KEY, WOODRUFF

1шт.

13

1240 719 H1

SCREW, LOW IDLE STOP

1шт.

14

1240 720 H1

NUT, HEX - IDLE SCREW STOP

1шт.

15

1240 721 H1

SCREW, TIMING LOCK

1шт.

16

1240 722 H1

O-RING, TIMING LOCK

1шт.

17

1240 723 H1

PLATE, TIMING LOCK

1шт.

18

1240 629 H1

ADAPTER, TUBE

1шт.

19

1240 752 H1

BRACKET, PUMP

1шт.

20

1240 793 H1

NUT, HEX

1шт.

21

1240 794 H1

SPRING

1шт.

22

1240 795 H1

SHIM

1шт.

23

1240 796 H1

WASHER

1шт.

24

1240 797 H1

LEVER, SPLINED

1шт.

25

1240 798 H1

NUT

1шт.

26

1240 799 H1

WASHER, LOCK

1шт.

27

NSS

LEVER, FUEL PUMP CONTROL - 3 PIECE

1шт.

|$28

1240 539 H91

KIT, DELIVERY BYPASS VALVE

1шт.

28

1240 862 H1

VALVE, BYPASS

1шт.

29

1240 863 H1

SPRING

1шт.

30

1240 864 H1

SHIM

1шт.

31

1240 861 H1

FITTING, BYPASS VALVE

1шт.

32

1240 644 H1

GASKET, DELIVERY VALVE

1шт.

|$36

-1шт.

|$35

F1 - USED ON EARLY MODEL FUEL PUMPS

-1шт.

|$37

-1шт.

Выбрано товаров: 37