Запчасти Komatsu GD530A-1 АККУМУЛЯТОР & СОЕДИН-ЕS ЭЛЕКТР.

Схема запчастей Komatsu GD530A-1 - АККУМУЛЯТОР & СОЕДИН-ЕS ЭЛЕКТР.
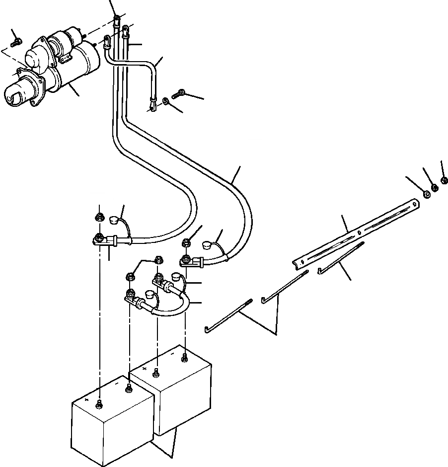
3
18
5
11
9
17
10
16
5
15
14
4
2
13
2
6
2
3
8
12
7
12
1
FIT
1:1
100%

Артикул

Название

Примечание

Количество

1

HD-3 107 002

BATTERY - WARM START

a

2шт.

|$1

HD-3 109 502

BATTERY - COLD START

b

2шт.

2

476 074 C1

NUT, BATTERY

4шт.

3

1259 311 H1

CABLE, BATTERY - POSITIVE

1шт.

4

1234 987 H1

BOOT, TERMINAL STUD

1шт.

5

1252 290 H1

CABLE, BATTERY - NEGATIVE

1шт.

6

1234 987 H1

BOOT, TERMINAL STUD

1шт.

7

1214 543 H1

CABLE, BATTERY - JUMPER

1шт.

8

1234 987 H1

BOOT, TERMINAL STUD

2шт.

9

21 335 R1

BOLT

1шт.

10

390 305 C1

WASHER, FLAT

1шт.

11

1430 378 H1

CABLE, GROUND

1шт.

12

109 781

ROD, BATTERY CLAMP

3шт.

13

149 351

CLAMP, BATTERY

1шт.

14

25 553 R1

WASHER, FLAT

3шт.

15

120 382

WASHER, LOCK

3шт.

16

25 522 R1

NUT, HEX

3шт.

17

MOTOR, CRANKING (SEE PG 08-020)

-29шт.

18

30 976 R1

BOLT

3шт.

Выбрано товаров: 0