Запчасти Komatsu GD530A DOZER ОТВАЛ ЛИНИЯ АКТУАТОРАS ГИДРАВЛS

Схема запчастей Komatsu GD530A - DOZER ОТВАЛ ЛИНИЯ АКТУАТОРАS ГИДРАВЛS
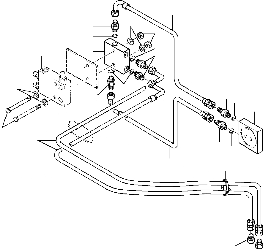
4
11
6
12
7
7
9
8
13
11
7
3
6
2
1
10
14
3
2
5
16
15
FIT
1:1
100%

Артикул

Название

Примечание

Количество

1

VALVE, DOZER BLADE (SEE PG 10-150)

-29шт.

2

570 828 R1

O-RING

2шт.

3

9410 203

CONNECTOR

2шт.

4

1253 470 H1

HOSE

1шт.

5

1253 057 H1

HOSE

1шт.

6

9410 203

CONNECTOR

2шт.

7

570 828 R1

O-RING

4шт.

8

VALVE, DUAL PILOT CHECK & RELIEF (SEE PG 10-170)

-29шт.

|$8

1253 497 H1

SPACER

1шт.

9

VALVE, DUAL COUNTERBALANCE & RELIEF (SEE PG 10-158)

-29шт.

10

26 594 R1

BOLT - 6 IN

2шт.

11

27 326 R1

WASHER, FLAT

4шт.

12

9413 977

NUT, HEX

2шт.

13

9410 229

CONNECTOR - LONG

2шт.

14

1268 217 H1

HOSE

2шт.

15

9403 333

PLUG, TUBE

2шт.

16

306 132 C2

STRAP, TIE

5шт.

|$$18

-1шт.

|$18

F1 - REPLACES ITEM 4, PG 10-121

-1шт.

|$19

USE EXISTING WASHERS AND NUTS

-1шт.

Выбрано товаров: 20