Запчасти Komatsu GD530A ДИФФЕРЕНЦ. МАСЛООХЛАДИТЕЛЬ НАСОС КРЕПЛЕНИЕ заводской номер 7 И UP ГИДРАВЛS

Схема запчастей Komatsu GD530A - ДИФФЕРЕНЦ. МАСЛООХЛАДИТЕЛЬ НАСОС КРЕПЛЕНИЕ заводской номер 7 И UP ГИДРАВЛS
11
13
12
9
1
15
4
8
14
3
2
10
7
6
5
3
2
FIT
1:1
100%

Артикул

Название

Примечание

Количество

|$0

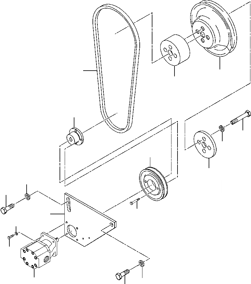
1436 324 H91

COOLER INSTALLATION, REAR AXLE OIL

-54шт.

1

1431 139 H3

BRACKET, PUMP MOUNTING

1шт.

2

24 863 R1

BOLT

2шт.

3

25 536 R1

WASHER, FLAT

2шт.

4

30 177 R1

WASHER, FLAT

4шт.

5

PUMP, DIFFERENTIAL HYDRAULIC (SEE PG 10-104)

-29шт.

6

25 228 R1

BOLT

4шт.

7

120 214

WASHER, LOCK

4шт.

8

1431 324 H1

PULLEY, PUMP

1шт.

9

1431 140 H1

BUSHING, PUMP PULLEY

1шт.

10

25 485 R1

BOLT

2шт.

11

88 844

V-BELT

1шт.

12

1431 180 H2

SPACER, PULLEY

1шт.

13

1240 664 H1

PULLEY

1шт.

14

1431 323 H1

PLATE, CLAMPING

1шт.

15

1431 814 H1

BOLT

4шт.

Выбрано товаров: 16