Запчасти Komatsu GD530A БЛОКИР./UNБЛОКИР. ДИФФЕРЕНЦ. КРЕПЛЕНИЕ ГИДР. НАСОСА заводской номер 7 И DOWN ГИДРАВЛS

Схема запчастей Komatsu GD530A - БЛОКИР./UNБЛОКИР. ДИФФЕРЕНЦ. КРЕПЛЕНИЕ ГИДР. НАСОСА заводской номер 7 И DOWN ГИДРАВЛS
16
18
17
14
1
20
21
13
19
3
2
5
4
15
8
7
5
3
12
11
9
10
3
6
2
FIT
1:1
100%

Артикул

Название

Примечание

Количество

|$0

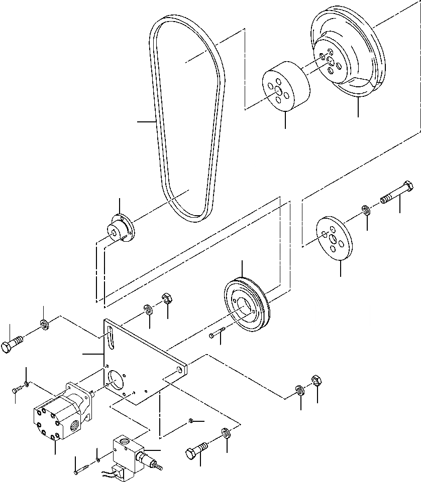
1431 308 H91

HYDRAULIC SYSTEM, LOCK/UNLOCK DIFFERENTIAL

-54шт.

1

1431 139 H2

BRACKET, PUMP MOUNTING

1шт.

2

24 863 R1

BOLT

2шт.

3

25 546 R1

WASHER, FLAT

3шт.

4

25 555 R1

WASHER, FLAT

1шт.

5

25 526 R1

NUT, HEX

2шт.

6

PUMP, LOCK/UNLOCK DIFFERENTIAL HYDRAULIC

-1шт.

|$24

-1шт.

|$8

(SEE PG 10-105, 107)

-1шт.

7

25 228 R1

BOLT

4шт.

8

25 543 R1

WASHER, FLAT

4шт.

9

VALVE, CONTROL & RELIEF (SEE PG 10-180)

-29шт.

10

25 672 R1

BOLT

2шт.

11

25 532 R1

WASHER, FLAT

2шт.

12

26 110 R1

NUT, HEX

2шт.

13

1431 324 H1

PULLEY, PUMP

1шт.

14

1431 140 H1

BUSHING, PUMP PULLEY

1шт.

15

25 485 R1

BOLT . . . . . . . . . . . . . . . . . . . . . 2

-1шт.

16

88 844

V-BELT

1шт.

17

1431 180 H2

SPACER, PULLEY

1шт.

18

1431 170 H1

PULLEY

1шт.

19

1431 323 H1

PLATE, CLAMPING

1шт.

20

1431 814 H1

BOLT

4шт.

21

30 177 R1

WASHER, FLAT

4шт.

Выбрано товаров: 24