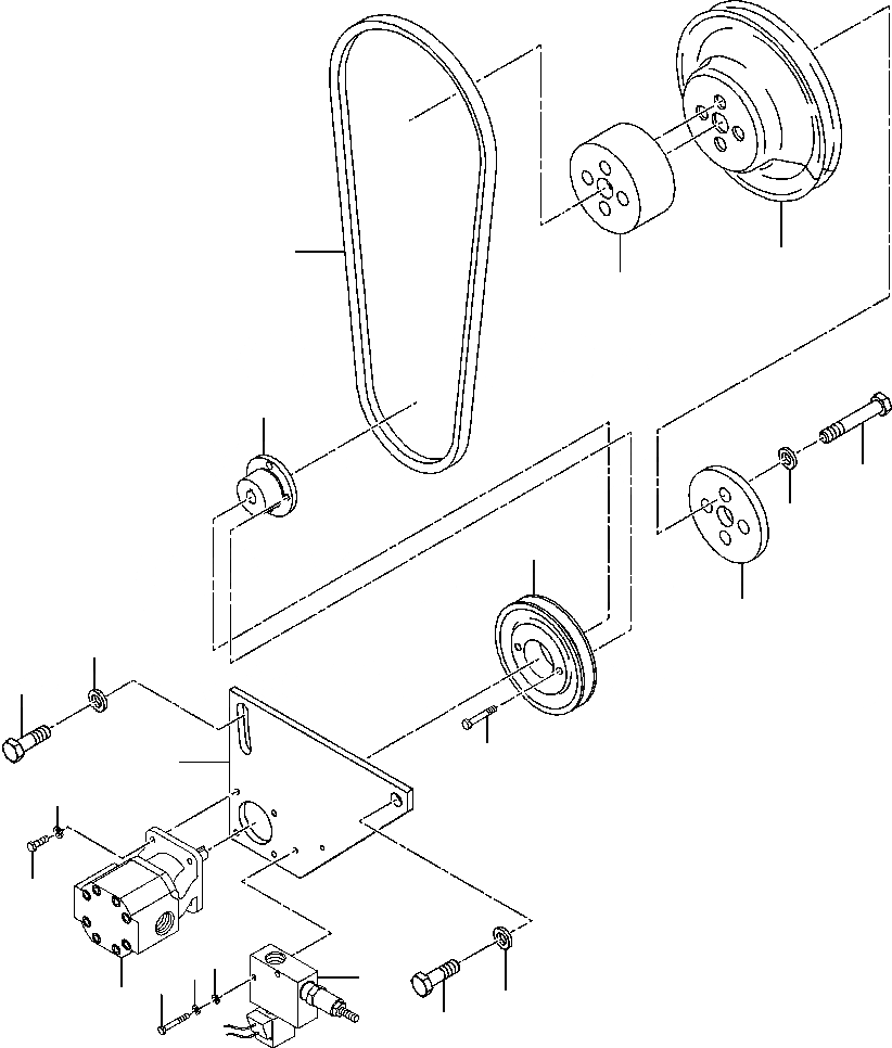
Запчасти Komatsu GD530A БЛОКИР./UNБЛОКИР. ДИФФЕРЕНЦ. КРЕПЛЕНИЕ ГИДР. НАСОСА заводской номер 7 И UP ГИДРАВЛS

Схема запчастей Komatsu GD530A - БЛОКИР./UNБЛОКИР. ДИФФЕРЕНЦ. КРЕПЛЕНИЕ ГИДР. НАСОСА заводской номер 7 И UP ГИДРАВЛS
15
17
16
13
1
19
4
12
18
3
2
14
7
6
11
10
8
9
5
3
2
FIT
1:1
100%

Артикул

Название

Примечание

Количество

|$0

1436 327 H91

HYDRAULIC SYSTEM, LOCK/UNLOCK DIFFERENTIAL

-54шт.

1

1431 139 H3

BRACKET, PUMP MOUNTING

1шт.

2

24 863 R1

BOLT

2шт.

3

25 536 R1

WASHER, FLAT

2шт.

4

30 177 R1

WASHER, FLAT

4шт.

5

PUMP, DIFFERENTIAL HYDRAULIC (SEE PG 10-104)

-29шт.

6

25 228 R1

BOLT

4шт.

7

120 214

WASHER, LOCK

4шт.

8

VALVE, CONTROL & RELIEF (SEE PG 10-180)

-29шт.

9

25 489 R1

BOLT

2шт.

10

120 380 R1

WASHER, LOCK

2шт.

11

25 532 R1

WASHER, FLAT

2шт.

12

1431 324 H1

PULLEY, PUMP

1шт.

13

1431 140 H1

BUSHING, PUMP PULLEY

1шт.

14

25 485 R1

BOLT . . . . . . . . . . . . . . . . . . . . . 2

-1шт.

15

88 844

V-BELT

1шт.

16

1431 180 H2

SPACER, PULLEY

1шт.

17

1240 664 H1

PULLEY

1шт.

18

1431 323 H1

PLATE, CLAMPING

1шт.

19

1431 814 H1

BOLT

4шт.

Выбрано товаров: 20