Качественные детали и логистика
Оригинальные и аналоговые запчасти с доставкой по России, Казахстану и Беларуси
©2022 PartSell ООО "Система" ИНН 2463123282 ОГРН 1212400004838
Центральный офис: г. Красноярск, Академика Киренского, д.87, пом.4
Телефон: 8 (800) 777-65-74 Email: zakaz@partsell.ru
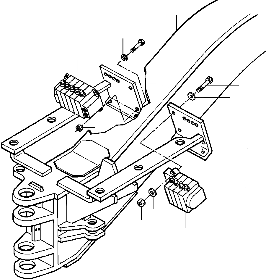
КРЕПЛЕНИЕ КОНТРОЛЬНОГО КЛАПАНА
№
Артикул
Название
Примечание
Количество
1
FRAME, FRONT (SEE PG 09-002)
-29шт.
2
VALVE, CONTROL - L.H. (SEE PG 10-138)
3
24 842 R1
BOLT
1шт.
4
25 544 R1
WASHER, FLAT
11шт.
5
24 843 R1
5шт.
6
VALVE, CONTROL - R.H. (SEE PG 10-138)
7
25 522 R1
NUT, HEX
6шт.
|$$8
-1шт.
|$8
FOR CONTROL LEVERS, SEE PG 05-007
Выбрано товаров: 0