Запчасти Komatsu GD530A ТОПЛИВН. ТРУБЫ ТОПЛИВН. СИСТЕМА

Схема запчастей Komatsu GD530A - ТОПЛИВН. ТРУБЫ ТОПЛИВН. СИСТЕМА
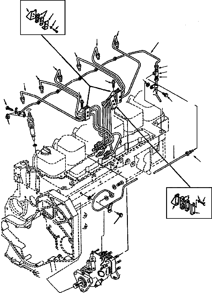
12
11
10
9
8
7
6
22
5
20
17
15
19
1
17
21
4
4
16
14
2
3
18
17
1
8
13
10
2
9
11
FIT
1:1
100%

Артикул

Название

Примечание

Количество

1

6732-71-6190

SEAL, GROMMET

2шт.

2

6732-71-3220

BOLT, (M8x1.25x20)

2шт.

3

6732-71-6230

SEAL, BANJO CONNECTOR

6шт.

4

6732-11-4160

BOLT, HEX FLANGE HEAD CAP

2шт.

5

6734-71-5110

TUBE, INJECTOR FUEL SUPPLY - # 4 CYLINDER

1шт.

6

6734-71-5120

TUBE, INJECTOR FUEL SUPPLY - # 5 CYLINDER

1шт.

7

6734-71-5130

TUBE, INJECTOR FUEL SUPPLY - # 6 CYLINDER

1шт.

8

6734-71-5520

BOLT (M5x0.80x22)

6шт.

9

6734-71-5530

WASHER, PLAIN

6шт.

10

6734-71-5710

BRACE, TUBE

3шт.

11

6734-71-5720

ISOLATOR, VIBRATION

6шт.

12

6734-71-5730

BRACE, TUBE

2шт.

13

6734-71-5740

BRACE, TUBE

1шт.

14

6732-71-6240

SCREW, BANJO CONNECTOR (M6x1.00x14)

6шт.

15

6734-71-5750

TEE, MALE UNION

1шт.

16

6735-71-5580

TUBE, FUEL DRAIN

1шт.

17

6736-81-8720

SEAL, GROMMET

1шт.

18

6734-71-5320

TUBE, FUEL DRAIN

1шт.

17

6736-81-8720

SEAL, GROMMET

1шт.

19

6734-71-5140

TUBE, INJECTOR FUEL SUPPLY - # 2 CYLINDER

1шт.

20

6734-71-5150

TUBE, INJECTOR FUEL SUPPLY - # 3 CYLINDER

1шт.

21

6734-71-5160

TUBE, INJECTOR FUEL SUPPLY - # 1 CYLINDER

1шт.

22

6735-71-5140

MANIFOLD, FUEL

1шт.

17

6736-81-8720

SEAL, GROMMET

1шт.

Выбрано товаров: 24