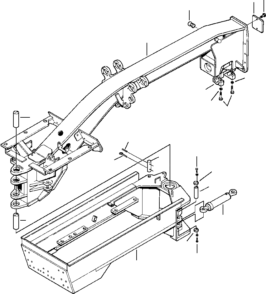
Запчасти Komatsu GD530A ОСНОВН. РАМА C - ПРАВ. И ЛЕВ. 9 DEGREES ОТВАЛ ПОДВЕСКА - заводской номер -98 РАМА

Схема запчастей Komatsu GD530A - ОСНОВН. РАМА C - ПРАВ. И ЛЕВ. 9 DEGREES ОТВАЛ ПОДВЕСКА - заводской номер -98 РАМА
6
7
9
8
11
10
11
12
15
16
4
14
13
3
2
5
15
3
4
1
FIT
1:1
100%

Артикул

Название

Примечание

Количество

|$0

1436 848 H91

FRAME ASSEMBLY, MAIN

1шт.

1

1433 146 H95

FRAME WELDMENT - REAR

1шт.

2

1437 167 H1

PIN, ARTICULATION CYLINDER

4шт.

3

159 277

PLATE, RETAINING

8шт.

4

24 841 R1

BOLT

16шт.

|$5

25 534 R1

WASHER, FLAT

16шт.

5

CYLINDER, ARTICULATION (SEE PG 10-206)

-29шт.

6

24 859 R1

BOLT

2шт.

|$8

25 536 R1

WASHER, FLAT

2шт.

7

1434 247 H1

PLATE, FRONT COVER

1шт.

8

1436 716 H91

FRAME WELDMENT - FRONT

1шт.

9

31 035

STUD, BALL

2шт.

10

1431 413 H92

RETAINER ASSEMBLY, FRONT AXLE

1шт.

11

25 538 R1

WASHER, FLAT

8шт.

12

25 515 R1

BOLT

8шт.

13

139 345 H45

PIN, HITCH

1шт.

14

1433 910 H1

PIN, ARTICULATION JOINT LOCK

1шт.

15

JOINT ASSEMBLY, ARTICULATION (SEE PG 09-014)

-29шт.

16

48 729

PIN, ROLL

1шт.

N/I

144 771

PROTECTOR

-2шт.

N/I

1436 709 H1

EDGE, TRIM

-2шт.

|$23

-1шт.

|$22

F1 - THESE PARTS ARE ORDERED AS BULK ITEMS. CUT AND USE AS REQUIRED.

-1шт.

|$24

-1шт.

Выбрано товаров: 24