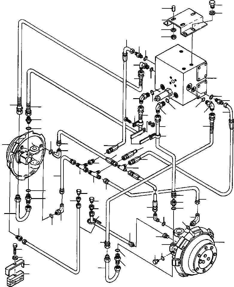
Запчасти Komatsu GD530A ALL КОЛЕСА ПРИВОД ГИДРАВЛS HIC КЛАПАН - МОТОРS ГИДРАВЛS

Схема запчастей Komatsu GD530A - ALL КОЛЕСА ПРИВОД ГИДРАВЛS HIC КЛАПАН - МОТОРS ГИДРАВЛS
5
1
6
2
3
10
4
8
9
13
7
15
14
9
13
11
14
15
15
14
14
16
12
13
15
13
29
15
15
30
16
22
20
31
10
18
17
21
20
12
23
19
26
24
25
30
26
40
15
35
26
39
40
29
20
30
39
36
22
41
27
21
28
27
37
28
38
38
37
31
15
32
42
34
33
43
30
44
36
35
45
FIT
1:1
100%

Артикул

Название

Примечание

Количество

1

48 204

STUD, WELD

3шт.

2

161 915

BRACKET, HIC VALVE MOUNTING

1шт.

3

25 544 R1

WASHER, FLAT

3шт.

4

25 522 R1

NUT, HEX

3шт.

5

24 860 R1

BOLT

3шт.

6

25 546 R1

WASHER, FLAT

3шт.

7

VALVE, HIC (SEE PG 10-186)

-29шт.

8

9410 202

CONNECTOR

1шт.

9

364 839 R1

O-RING

2шт.

10

162 088

HOSE

1шт.

|$10

160 959

SLEEVE

1шт.

11

324 273 R1

CONNECTOR

1шт.

12

158 959

HOSE

1шт.

|$13

160 959

SLEEVE

1шт.

13

9410 979

ELBOW - 90 DEGREE

4шт.

14

368 269 R1

O-RING

4шт.

15

157 534 H45

HOSE

4шт.

16

67 416

CLAMP

2шт.

|$18

24 839 R1

BOLT

2шт.

|$19

25 544 R1

WASHER, FLAT

2шт.

|$20

25 522 R1

NUT, HEX

2шт.

17

158 967

BRACKET

2шт.

18

HOSE (SEE PG 10-018)

-29шт.

19

9402 981

TEE

1шт.

20

162 087

HOSE

2шт.

|$25

160 926

SLEEVE - 32 IN

2шт.

21

9410 976

ELBOW - 90 DEGREE

2шт.

22

364 839 R1

O-RING

2шт.

23

154 185

REDUCER

1шт.

24

9410 334

TEE- SWIVEL NUT

1шт.

25

9402 983

TEE

1шт.

26

158 957

HOSE

2шт.

|$32

160 926

SLEEVE - 32 IN

2шт.

27

9410 978

ELBOW - 90 DEGREE

2шт.

28

364 885 R1

O-RING

2шт.

29

380 633 R1

CONNECTOR

2шт.

30

296 247 R1

O-RING

4шт.

31

GEAR BOX, AWD - L.H. (SEE PG 14-022)

-29шт.

|$38

GEAR BOX, AWD - R.H. (SEE PG 14-022)

-29шт.

32

MOTOR, AWD (SEE PG 10-122)

-29шт.

33

9410 360

PLUG

2шт.

34

364 885 R1

O-RING

2шт.

35

9410 207

CONNECTOR

2шт.

36

159 039

J-TUBE

2шт.

37

444 030

BUSHING, REDUCER

2шт.

38

159 589

HOSE

2шт.

|$46

160 926

SLEEVE - 32 IN

2шт.

39

444 030

BUSHING, REDUCER

2шт.

40

77 506

BREATHER

2шт.

41

100 593

TIE

4шт.

42

27 346 R1

BOLT

2шт.

43

25 544 R1

WASHER, FLAT

2шт.

44

1278 000 H1

CLIP

2шт.

45

1270 900 H1

CLAMP, HOSE

2шт.

N/I

160 933

GUARD, HOSE

2шт.

Выбрано товаров: 55