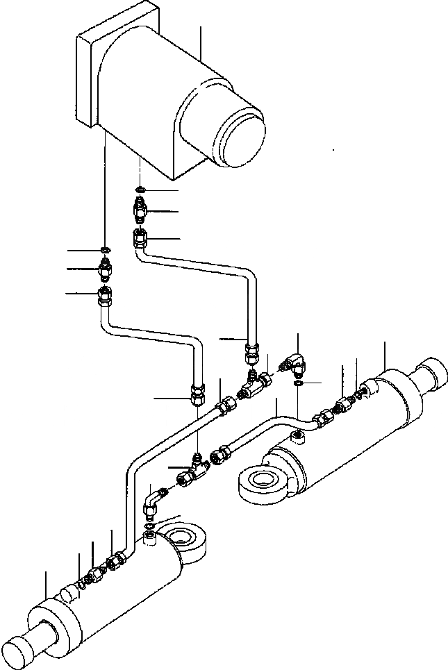
Запчасти Komatsu GD530A ЦИЛИНДР РУЛЕВ. УПР-Я ЛИНИЯ АКТУАТОРАS ГИДРАВЛS

Схема запчастей Komatsu GD530A - ЦИЛИНДР РУЛЕВ. УПР-Я ЛИНИЯ АКТУАТОРАS ГИДРАВЛS
1
2
3
4
2
3
4
6
11
4
5
10
9
8
7
8
4
5
6
7
8
9
10
11
FIT
1:1
100%

Артикул

Название

Примечание

Количество

1

CONTROL UNIT, ORBITROL (SEE PG 10-132)

-29шт.

2

570 828 R1

O-RING

2шт.

3

587 639 R1

CONNECTOR

2шт.

4

1253 468 H1

HOSE

2шт.

5

9410 332

TEE

2шт.

6

9410 976

ELBOW - 90 DEGREE

2шт.

7

364 839 R1

O-RING

2шт.

8

148 520

HOSE

2шт.

9

9410 202

CONNECTOR

2шт.

10

364 839 R1

O-RING

2шт.

11

CYLINDER, STEERING (SEE PG 10-202)

-29шт.

Выбрано товаров: 11