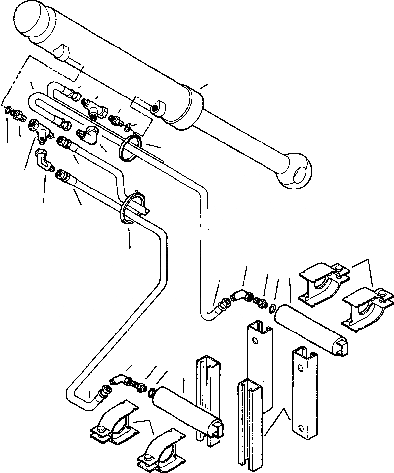
Запчасти Komatsu GD530A БОКОВ. СДВИГ СЦЕПН. УСТР-ВА АККУМУЛЯТОР УСТАНОВКА ПРАВ. BIASED ОТВАЛ ПОДВЕСКА ГИДРАВЛS

Схема запчастей Komatsu GD530A - БОКОВ. СДВИГ СЦЕПН. УСТР-ВА АККУМУЛЯТОР УСТАНОВКА ПРАВ. BIASED ОТВАЛ ПОДВЕСКА ГИДРАВЛS
3
16
14
1
12
12
4
13
2
15
1
2
5
10
4
6
7
9
8
3
6
7
8
9
5
11
10
13
FIT
1:1
100%

Артикул

Название

Примечание

Количество

|$0

1281 861 H91

ACCUMULATOR INSTALLATION, DRAWBAR SIDE SHIFT

1шт.

1

9410 333

TEE, SWIVEL NUT

2шт.

2

9410 281

ELBOW, SWIVEL NUT - 90 DEGREE

2шт.

3

162 457

HOSE

1шт.

4

306 132 C1

STRAP, TIE

2шт.

5

148 817

HOSE

1шт.

6

9410 255

ELBOW - 45 DEGREE

2шт.

7

380 632 R1

CONNECTOR, REDUCING

2шт.

8

570 828 R1

O-RING

2шт.

9

ACCUMULATOR (SEE PG 10-240)

-29шт.

10

1279 538 H1

CLAMP, ACCUMULATOR

4шт.

11

CHANNEL (SEE PG 10-036)

-29шт.

12

CONNECTOR (SEE PG 10-042)

-29шт.

13

364 885 R1

O-RING

2шт.

14

HOSE (SEE PG 10-042)

-29шт.

15

HOSE (SEE PG 10-042)

-29шт.

16

CYLINDER, DRAWBAR SIDE SHIFT (SEE PG 10-216)

-29шт.

Выбрано товаров: 17