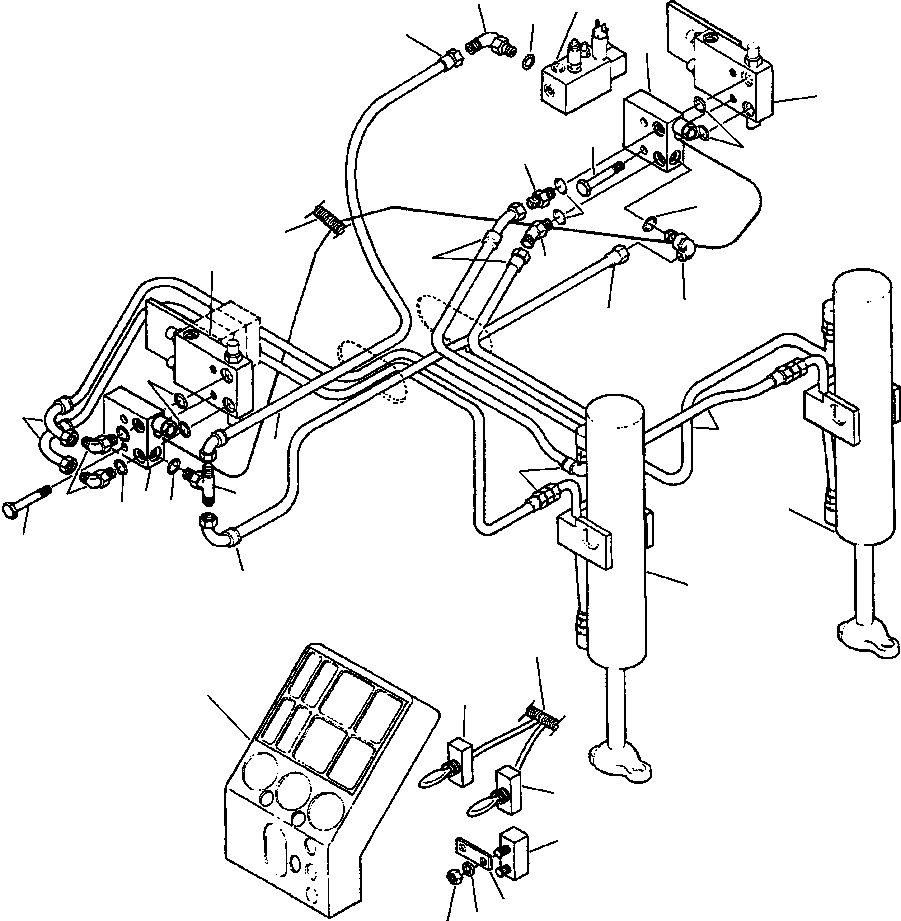
Запчасти Komatsu GD530A MOLDBOARD ПЛАВАЮЩ КЛАПАН УСТАНОВКА ГИДРАВЛS

Схема запчастей Komatsu GD530A - MOLDBOARD ПЛАВАЮЩ КЛАПАН УСТАНОВКА ГИДРАВЛS
2
1
23
4
7
5
10
14
6
3
8
16
24
5
15
13
12
6
24
24
4
24
11
25
9
7
3
8
10
12
25
17
26
18
18
19
20
21
22
FIT
1:1
100%

Артикул

Название

Примечание

Количество

|$0

1278 428 H91

VALVE INSTALLATION, MOLDBOARD FLOAT

1шт.

1

BLOCK, JUNCTION (SEE PG 10-134)

-29шт.

1

BLOCK, JUNCTION (SEE PG 10-136)

-29шт.

2

9410 976

ELBOW, REDUCING - 90 DEGREE

-1шт.

|$4

(REPLACES ITEM 16, PG 10-011)

1шт.

3

570 828 R1

O-RING

2шт.

4

1278 036 H1

HOSE

1шт.

5

VALVE, DUAL COUNTERBALANCE AND RELIEF

-1шт.

|$8

(SEE PG 10-180)

-29шт.

N/I

08034-20519

BAND

6шт.

|$10

299 402 C1

CLAMP

2шт.

6

376 769 R1

O-RING

4шт.

7

VALVE, FLOAT (SEE PG 10-184)

-29шт.

8

364 885 R1

O-RING

4шт.

9

936 450 R91

ELBOW - 90 DEGREE

2шт.

10

26 269 R1

BOLT

4шт.

|$16

25 533 R1

WASHER, FLAT

4шт.

11

9411 118

TEE

1шт.

12

1259 786 H1

HOSE

1шт.

N/I

160 926

SLEEVE, HOSE PROTECTIVE

1шт.

13

9410 977

ELBOW

1шт.

N/I

103 071

ELBOW - 45 DEGREE

1шт.

14

481 352 R1

CONNECTOR

1шт.

15

103 071

ELBOW - 45 DEGREE

1шт.

16

HARNESS, MAIN WIRING (SEE PG 08-002)

-29шт.

17

HARNESS, INSTRUMENT PANEL (SEE PG 11-006)

-29шт.

18

1252 855 H1

SWITCH, MOLDBOARD FLOAT

2шт.

19

141 656

BREAKER, CIRCUIT - 6 AMP

1шт.

20

1106 459 C1

BAR, BUSS - 2 HOLE

1шт.

21

120 217

WASHER, LOCK

2шт.

22

120 614

NUT, HEX

2шт.

23

364 839 R1

O-RING

1шт.

24

ACTUATOR LINES, DRAWBAR LIFT (SEE PG 10-038)

-29шт.

25

CYLINDER, DRAWBAR LIFT (SEE PG 10-212)

-29шт.

26

PANEL, STEERING CONSOLE INSTRUMENT (SEE PG 11-006)

-1шт.

|$38

-1шт.

|$37

F1 - NOT SERVICED. REFERENCE ITEM.

-1шт.

|$39

-1шт.

Выбрано товаров: 38