Запчасти Komatsu GD530A ALL КОЛЕСА ПРИВОД НАСОС ГИДРАВЛS

Схема запчастей Komatsu GD530A - ALL КОЛЕСА ПРИВОД НАСОС ГИДРАВЛS
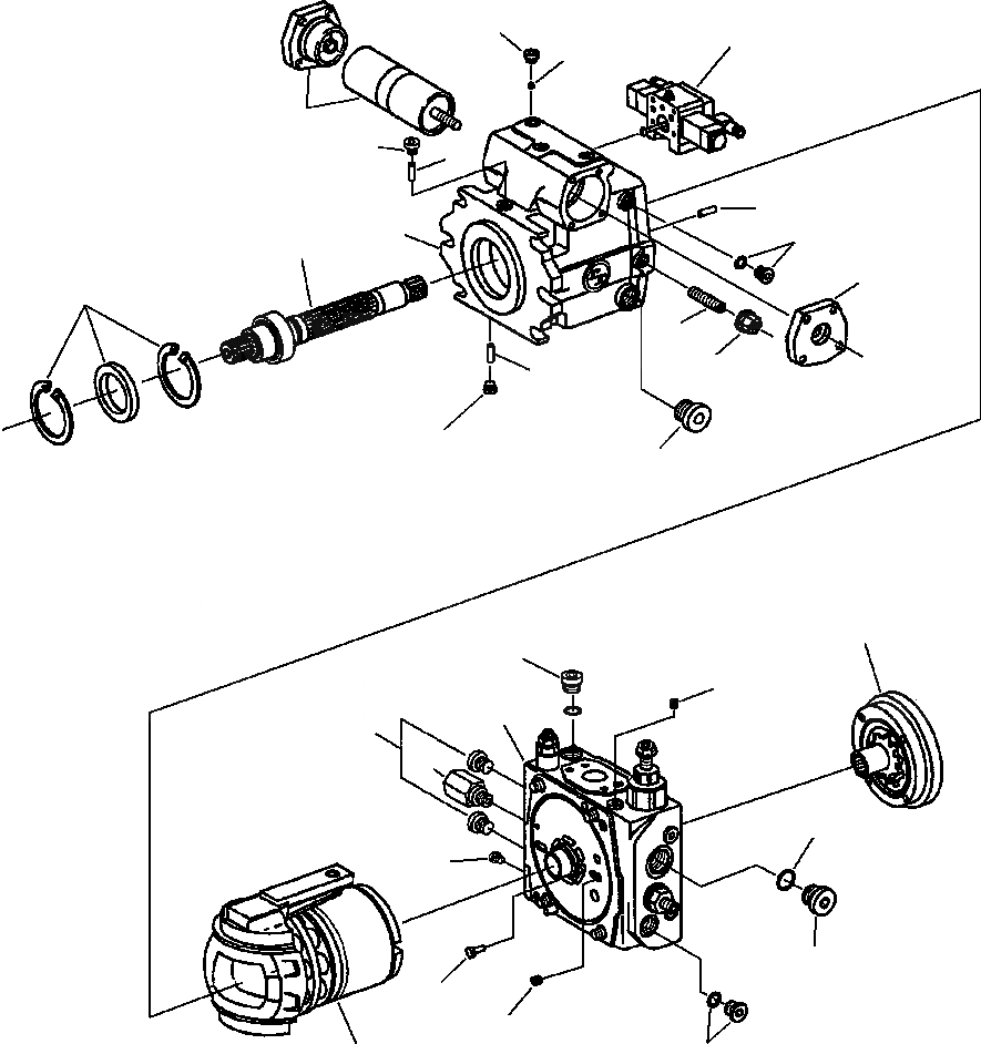
11
5
15
2
18
7
16
6
11
1
2
1
20
21
7
18
9
4
19
22
3
17
24
13
23
12
8
14
10
1
FIT
1:1
100%

Артикул

Название

Примечание

Количество

|$0

1436 204 H93

PUMP, VARIABLE DISPLACEMENT

1шт.

1

ROTARY GROUP (SEE PG 10-110)

-29шт.

2

CONTROL, HYDRAULIC (SEE PG 10-112)

-29шт.

3

PORT PLATE WITH VALVES (SEE PG 10-114)

-29шт.

4

PUMP, CHARGE (SEE PG 10-116)

-29шт.

5

CONTROL MODULE ASSEMBLY (SEE PG 10-118)

-29шт.

6

1440 359 H91

HOUSING

1шт.

7

1438 687 H1

PIN

2шт.

8

1438 717 H1

PIN, LOCATING

1шт.

9

72 432

PLUG, TUBE

1шт.

10

59 198

PLUG, TUBE

1шт.

11

63 922

PLUG, TUBE

4шт.

12

1440 360 H1

SCREW, LOCKING

1шт.

13

1440 361 H1

O-RING

1шт.

14

1440 362 H1

LOCKING SCREW

1шт.

15

1438 660 H1

ORIFICE, STROKING

2шт.

16

1440 363 H1

PIN, CLAMPING

2шт.

17

1440 364 H1

SCREW, LOCKING

2шт.

18

1440 365 H1

SCREW, LOCKING

4шт.

19

1440 366 H1

SCREW, LOCKING

1шт.

20

1440 367 H1

PIN, THREADED

1шт.

21

1440 368 H1

LOCKNUT, SEAL

1шт.

22

1438 705 H1

ORIFICE - 1.88 MM

1шт.

23

90 966

PLUG, TUBE

1шт.

24

1438 666 H1

FITTING, ADAPTER

1шт.

|$25

1440 369 H1

INSERT, THREADED

1шт.

|$26

1440 370 H1

O-RING

1шт.

Выбрано товаров: 27