Запчасти Komatsu GD530A КРЕПЛЕНИЕ КОНТРОЛЬНОГО КЛАПАНА ГИДРАВЛS

Схема запчастей Komatsu GD530A - КРЕПЛЕНИЕ КОНТРОЛЬНОГО КЛАПАНА ГИДРАВЛS
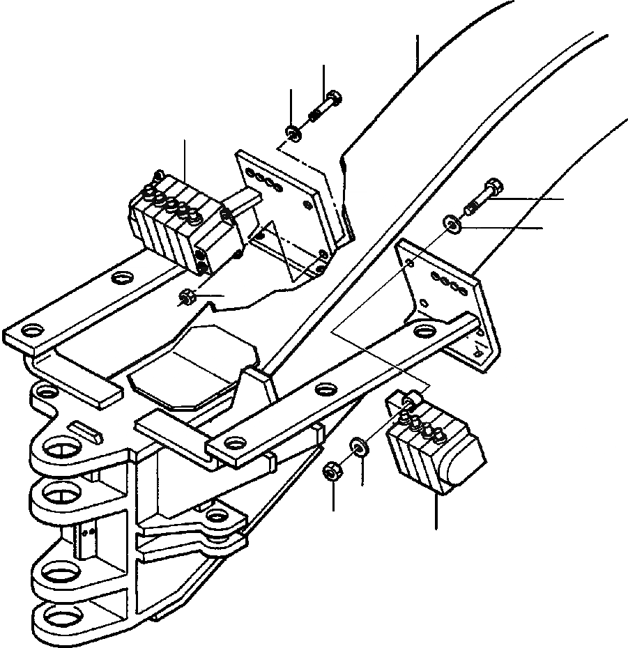
1
3
4
2
5
4
7
4
7
6
FIT
1:1
100%

Артикул

Название

Примечание

Количество

1

FRAME, FRONT (SEE PG 09-002)

-29шт.

1

FRAME, FRONT (SEE PG 09-004)

-29шт.

1

FRAME, FRONT (SEE PG 09-006)

-29шт.

1

FRAME, FRONT (SEE PG 09-008)

-29шт.

1

FRAME, FRONT (SEE PG 09-010)

-29шт.

2

VALVE, CONTROL - L.H. 7 VALVES (SEE PG 10-140)

-29шт.

2

VALVE, CONTROL - L.H. 6 VALVES (SEE PG 10-142)

-29шт.

2

VALVE, CONTROL - L.H. 5 VALVES (SEE PG 10-144)

-29шт.

3

24 842 R1

BOLT

1шт.

4

25 544 R1

WASHER, FLAT

11шт.

5

24 843 R1

BOLT

5шт.

6

VALVE, CONTROL - R.H. 7 VALVES (SEE PG 10-146)

-29шт.

6

VALVE, CONTROL - R.H. 6 VALVES (SEE PG 10-148)

-29шт.

6

VALVE, CONTROL - R.H. 5 VALVES (SEE PG 10-150)

-29шт.

6

VALVE, CONTROL - R.H. 4 VALVES (SEE PG 10-152)

-29шт.

7

25 522 R1

NUT, HEX

6шт.

|$18

-1шт.

|$17

F1 - FOR CONTROL LEVERS SEE PG 05-007.

-1шт.

|$19

-1шт.

Выбрано товаров: 19