Запчасти Komatsu GD530A ДВИГАТЕЛЬ И КРЕПЛЕНИЕ POWER

Схема запчастей Komatsu GD530A - ДВИГАТЕЛЬ И КРЕПЛЕНИЕ POWER
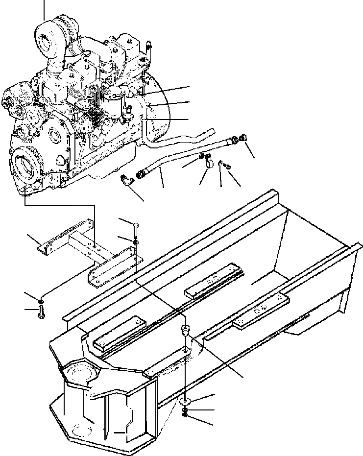
1
2
3
4
16
12
13
15
14
11
10
9
5
8
6
7
17
18
19
20
FIT
1:1
100%

Артикул

Название

Примечание

Количество

1

ENGINE, KOMATSU S6D102E-1 (SEE PG 17-062)

-29шт.

2

27 702 R1

CLAMP, HOSE

1шт.

3

364 360 C1

HOSE, BREATHER - 36 IN

1шт.

4

27 291 R1

CLAMP

2шт.

5

1437 600 H91

SUPPORT WELDMENT, ENGINE

1шт.

6

25 537 R1

WASHER, FLAT

1шт.

7

27 415 R1

BOLT

1шт.

8

25 537 R1

WASHER, FLAT

4шт.

9

24 881 R1

BOLT

4шт.

10

1243 935 H1

ELBOW

1шт.

|$10

1240 123 H1

WASHER, SEALING

1шт.

11

1218 008 H1

HOSE

1шт.

12

25 519 R1

NUT, HEX

1шт.

13

299 412 C1

CLAMP

1шт.

14

25 532 R1

WASHER, FLAT

1шт.

15

25 483 R1

BOLT

1шт.

16

9403 333

PLUG

1шт.

17

1437 243 H1

MOUNT, RUBBER

4шт.

18

65 536

WASHER, FLAT

4шт.

19

25 537 R1

WASHER, FLAT

4шт.

20

9412 231

NUT, LOCK

4шт.

Выбрано товаров: 21