Запчасти Komatsu GD530A ОБОГРЕВАТЕЛЬ. КОРПУС ASSEMBLY заводской номер -97 SUPERSTRUCTURE

Схема запчастей Komatsu GD530A - ОБОГРЕВАТЕЛЬ. КОРПУС ASSEMBLY заводской номер -97 SUPERSTRUCTURE
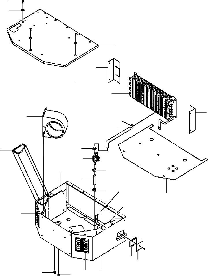
8
9
7
18
19
17
1
20
22
20
2
4
16
20
21
10
20
3
15
6
11
12
13
5
6
14
FIT
1:1
100%

Артикул

Название

Примечание

Количество

|$0

1434 607 H92

BOX ASSEMBLY, HEATER

1шт.

1

MOTOR ASSEMBLY, BLOWER (SEE PG 13-132)

-29шт.

2

1434 987 H1

FOAM, SWITCH SEAL - 15 IN

1шт.

3

1434 988 H1

FOAM, HOUSING - BOTTOM

1шт.

4

1437 225 H1

VALVE, HEATER CONTROL

1шт.

5

1434 975 H1

HOUSING, MAIN

1шт.

6

1434 536 H1

LOUVERS

4шт.

7

1434 976 H1

COVER ASSEMBLY

1шт.

8

28 144 R1

BOLT

8шт.

9

120 394

WASHER, FLAT

8шт.

10

1434 948 H1

SEAL WELDMENT

2шт.

11

1434 987 H1

FOAM - 10 IN

2шт.

12

1435 642 H1

PLATE, SEAL

2шт.

13

1435 643 H1

PLUG - 3/4 IN

1шт.

14

418T 42A 240

PLUG - 7/8 IN

1шт.

15

1434 984 H1

DIVIDER, AIR - L.H

1шт.

16

1434 983 H1

DIVIDER, AIR - R.H

1шт.

17

1434 986 H1

BRACKET, COIL - L.H

1шт.

18

NSS

BRACKET, COIL - R.H

1шт.

19

1434 982 H1

COIL, HEATER

1шт.

|$20

1437 229 H1

FOAM - UNDER HEATER COIL

1шт.

20

1434 665 H1

CLAMP, HOSE

4шт.

21

1437 227 H1

HOSE, HEATER - 3 IN

1шт.

22

1437 226 H1

HOSE, HEATER - FORMED

1шт.

N/I

1431 225 H1

FITTING, BULKHEAD

1шт.

|$27

-1шт.

|$26

F1 - CUT FROM BULK SEAL.

-1шт.

|$28

-1шт.

Выбрано товаров: 28