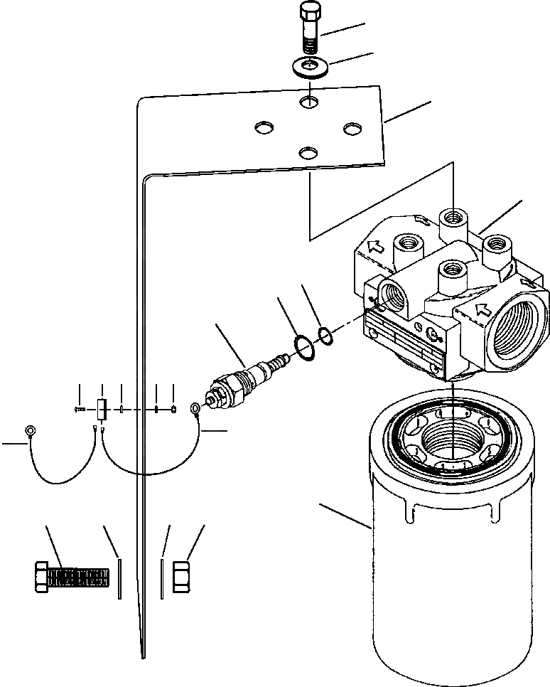
Запчасти Komatsu GD530A ДИФФЕРЕНЦ. МАСЛ. ФИЛЬТР ПРИВОД TRAIN

Схема запчастей Komatsu GD530A - ДИФФЕРЕНЦ. МАСЛ. ФИЛЬТР ПРИВОД TRAIN
7
8
6
1
4
3
2
17
18
5
10
11
10
9
16
15
14
13
12
FIT
1:1
100%

Артикул

Название

Примечание

Количество

|$0

1281 326 H91

FILTER, DIFFERENTIAL OIL

1шт.

1

NSS

HEAD, FILTER

1шт.

2

1267 903 H91

INDICATOR ASSEMBLY

1шт.

3

364 839 R1

O-RING

1шт.

4

359 158 R1

O-RING

1шт.

5

1281 327 H1

ELEMENT, OIL FILTER - 6 IN. LENGTH

1шт.

6

1279 098 H2

BRACKET, FILTER MOUNTING

1шт.

7

24 839 R1

BOLT

4шт.

8

120 382

WASHER, LOCK

4шт.

9

140 483 H

BOLT

2шт.

10

25 534 R1

WASHER, FLAT

4шт.

11

25 522 R1

NUT, HEX

2шт.

12

159 358

SCREW, MACHINE

2шт.

13

1436 525 H1

FLASHER

1шт.

14

131 014

WASHER, FLAT

2шт.

15

131 044

WASHER, LOCK

2шт.

16

134 530

NUT, HEX

2шт.

17

1436 531 H1

WIRE

1шт.

18

1436 530 H1

WIRE - TO TRANSMISSION OIL FILTER INDICATOR

1шт.

|$19

2643 514 R1

CONDUIT - 48 IN

1шт.

|$28

-1шт.

|$21

F1 - NEWER MACHINES USE A 9.5 INCH FILTER P/N 1281 327 H1 WITH THE

-1шт.

|$22

FILTER ASSEMBLY P/N 1281 326 H91. IF EXPERIENCING PREMATURE FILTER

-1шт.

|$23

CLOGGING ON OLDER MACHINES WITHOUT AWD: REPLACE THE EXISTING FILTER

-1шт.

|$24

AND ASSEMBLY WITH THE 9.5 INCH FILTER AND ASSEMBLY.

-1шт.

|$29

-1шт.

|$26

F2 - IF INSTALLING THE 9.5 INCH FILTER: REPLACE THE EXISTING BRACKET

-1шт.

|$27

WITH P/N 1279 098 H3.

-1шт.

Выбрано товаров: 28