Запчасти Komatsu GD530A ALL КОЛЕСА ПРИВОД ЭЛЕКТРОПРОВОДКА DIAGRAM ЭЛЕКТР.

Схема запчастей Komatsu GD530A - ALL КОЛЕСА ПРИВОД ЭЛЕКТРОПРОВОДКА DIAGRAM ЭЛЕКТР.
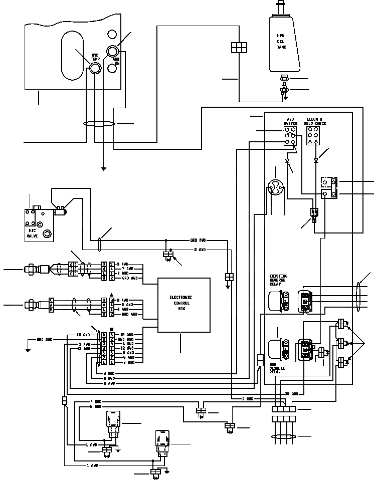
3
2
6
5
7
1
8
4
9
10
13
10
11
19
12
17
14
17
15
20
18
21
22
16
23
24
23
22
23
25
23
15
26
23
23
FIT
1:1
100%

Артикул

Название

Примечание

Количество

1

PANEL, STEERING CONSOLE INSTRUMENT (SEE PG 11-006)

-1шт.

2

1270 236 H91

LIGHT, PILOT - HYDRAULIC OIL TEMPERATURE - RED

1шт.

|$3

274 019

BULB - 24 V

1шт.

3

1270 237 H91

LIGHT, PILOT - ALL WHEEL DRIVE ON - GREEN

1шт.

|$5

274 019

BULB - 24 V

1шт.

4

HARNESS, INSTRUMENT PANEL WIRING (SEE PG 11-006)

-29шт.

5

HARNESS, MAIN WIRING (SEE PG 08-002)

-29шт.

6

444 032

BUSHING, REDUCER

1шт.

7

1282 169 H1

SWITCH, HYDRAULIC OIL TEMPERATURE

1шт.

7

158 982

SWITCH, HYDRAULIC OIL TEMPERATURE

1шт.

8

PANEL, CONSOLE SWITCH (SEE PG 11-002)

-29шт.

9

1258 399 H1

SWITCH, ALL WHEEL DRIVE

1шт.

9

644 614 C1

SWITCH, ALL WHEEL DRIVE

1шт.

10

1259 350 H1

DIODE ASSEMBLY

2шт.

11

1106 459 C1

BAR, BUSS

1шт.

12

141 656

BREAKER, CIRCUIT - 6 A

1шт.

13

SWITCH, IGNITION (SEE PG 11-002)

-29шт.

14

250 381 C91

Y-CONNECTOR

1шт.

15

HARNESS, MAIN WIRING (SEE PG 08-002)

-29шт.

16

1432 716 H1

RELAY - ALL WHEEL DRIVE DISABLE

1шт.

|$21

935 522 C1

STRAP, TIE

1шт.

17

1437 275 H1

HARNESS, ALL WHEEL DRIVE FRONT

1шт.

18

1279 522 H91

CONNECTOR, DIODE

1шт.

19

VALVE, HIC (SEE PG 10-186)

-29шт.

20

1437 274 H1

HARNESS, FRONT WHEEL SENSOR

1шт.

21

1246 048 H1

HARNESS, REAR WHEEL SENSOR

1шт.

22

1437 401 H91

HARNESS, ALL WHEEL DRIVE REAR

1шт.

23

1279 522 H91

CONNECTOR, DIODE

8шт.

24

CONTROLLER, ELECTRONIC (SEE PG 08-020)

-29шт.

25

PLUG, SOLENOID - GRAY (SEE PG 10-118)

-29шт.

26

PLUG, SOLENOID - BLACK (SEE PG 10-118)

-29шт.

Выбрано товаров: 31