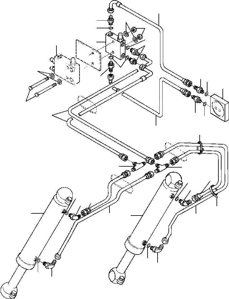
Запчасти Komatsu GD530A SCARIFIER ЦИЛИНДР ЛИНИЯ АКТУАТОРАS ГИДРАВЛS

Схема запчастей Komatsu GD530A - SCARIFIER ЦИЛИНДР ЛИНИЯ АКТУАТОРАS ГИДРАВЛS
4
10
20
2
11
7
7
8
6
2
10
3
6
2
1
9
12
3
2
5
15
13
13
14
2
16
2
14
16
15
17
17
18
18
2
19
2
19
FIT
1:1
100%

Артикул

Название

Примечание

Количество

1

VALVE, SCARIFIER (SEE PG 10-144)

-29шт.

2

570 828 R1

O-RING

10шт.

3

9410 203

CONNECTOR

2шт.

4

1253 470 H1

HOSE

1шт.

5

1253 057 H1

HOSE

1шт.

6

9410 203

CONNECTOR

3шт.

7

VALVE, DUAL PILOT CHECK AND RELIEF

-1шт.

|$7

(SEE PG 10-165)

1шт.

8

VALVE, DUAL COUNTERBALANCE AND RELIEF

-1шт.

|$9

(SEE PG 10-163)

1шт.

9

26 043 R1

BOLT

2шт.

10

27 326 R1

WASHER, FLAT

4шт.

11

9413 977

NUT, HEX

2шт.

12

1268 217 H1

HOSE

2шт.

13

9402 982

TEE

2шт.

14

1430 795 H1

HOSE

2шт.

15

935 522 C1

STRAP, TIE

6шт.

16

9411 105

ELBOW - 45°

2шт.

17

CYLINDER, SCARIFIER (SEE PG 10-200)

-29шт.

18

162 917

HOSE

2шт.

19

9410 977

ELBOW - 90°

2шт.

20

9410 229

CONNECTOR - LONG

1шт.

|$24

-1шт.

|$23

F1 - REPLACES ITEM 4, PG 10-115. USE EXISTING WASHERS AND NUTS

-1шт.

|$25

-1шт.

Выбрано товаров: 25