Запчасти Komatsu GD530A ГИДРАВЛ МАСЛ. БАК AWD ГИДРАВЛS

Схема запчастей Komatsu GD530A - ГИДРАВЛ МАСЛ. БАК AWD ГИДРАВЛS
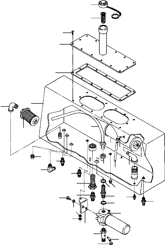
5
4
6
3
2
1
32
14
33
13
7
31
9
15
12
30
8
29
28
27
17
10
26
9
18
25
19
24
23
20
21
22
16
11
FIT
1:1
100%

Артикул

Название

Примечание

Количество

1

1430 673 H91

TANK, HYDRAULIC OIL - AWD

1шт.

2

142 223

GASKET, TANK COVER

1шт.

3

1430 763 H91

COVER, HYDRAULIC TANK

1шт.

4

1430 890 H1

SCREEN, FILTER

1шт.

5

1430 892 H91

CAP, HYDRAULIC OIL FILL

1шт.

6

1431 126 H1

SCREW, MACHINE

14шт.

7

1430 861 H91

FITTING, COMPRESSION

2шт.

8

1430 864 H1

TUBING, OIL GAUGE

1шт.

9

9402 710

CONNECTOR

2шт.

10

317 783 R1

CONNECTOR

1шт.

11

SWITCH, HYDRAULIC OIL TEMPERATURE (SEE PG 08-054)

-29шт.

12

218 202

ELBOW, STREET

1шт.

13

141 062

STRAINER, SUCTION

1шт.

14

1430 677 H1

TUBE, OIL RETURN

1шт.

15

9403 298

NUT, HEX

1шт.

16

1430 767 H1

WASHER, SEAL

1шт.

17

9403 259

CONNECTOR, BULK HEAD

1шт.

18

296 247 R1

O-RING

1шт.

19

FILTER, HYDRAULIC OIL (SEE PG 10-014)

-29шт.

20

1430 802 H91

CONNECTOR

1шт.

21

26 155 R1

ELBOW - 45°

1шт.

22

9403 371

CAP, OIL DRAIN

1шт.

23

1430 675 H1

BRACKET, OIL FILTER MOUNTING

1шт.

24

21 622 R1

NUT, LOCK

1шт.

25

25 534 R1

WASHER, FLAT

3шт.

26

24 839 R1

BOLT

2шт.

27

9402 713

CONNECTOR

1шт.

28

1430 676 H2

STRAINER

1шт.

29

607 728 R1

CONNECTOR

1шт.

30

343 805 R1

ELBOW - 90°

1шт.

31

48 192

PLUG, DRAIN

1шт.

32

111 001

ELBOW, STREET - 90°

1шт.

33

112 455

STRAINER

1шт.

Выбрано товаров: 33