Запчасти Komatsu GD530A РУЛЕВ. УПРАВЛЕНИЕ КОНСОЛЬ РУЛЕВ. УПРАВЛЕНИЕ

Схема запчастей Komatsu GD530A - РУЛЕВ. УПРАВЛЕНИЕ КОНСОЛЬ РУЛЕВ. УПРАВЛЕНИЕ
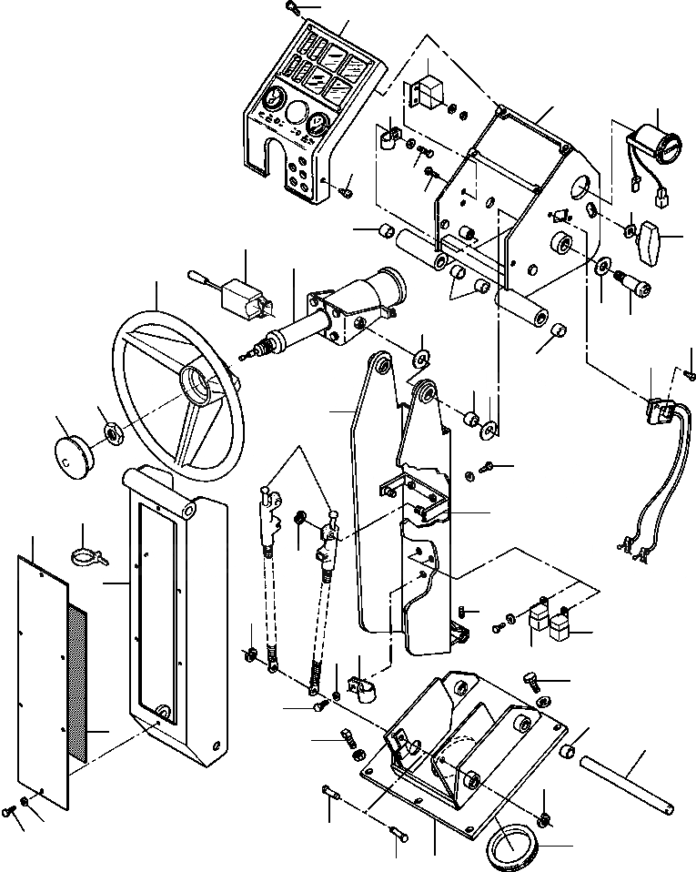
1
2
8
9
4
5
3
6
7
10
16
11
18
17
19
16
15
15
14
12
13
16
16
15
20
21
28
26
30
29
24
22
27
25
27
32
33
41
31
35
40
16
43
39
36
27
41
42
23
37
38
42
34
FIT
1:1
100%

Артикул

Название

Примечание

Количество

|$0

1434 210 H91

CONSOLE ASSEMBLY, STEERING

-54шт.

1

120 621

SCREW, OVAL HEAD

4шт.

2

PANEL, STEERING CONSOLE INSTRUMENT (SEE PG 10-214)

-29шт.

3

159 947

SCREW, PAN HEAD

2шт.

4

1433 813 H91

HEAD WELDMENT, CONSOLE

1шт.

5

299 412 C1

CLAMP, CABLE

2шт.

6

180 024

BOLT

2шт.

|$7

120 380

WASHER, LOCK

2шт.

7

443 874

SCREW, MACHINE

2шт.

|$9

178 378

WASHER, LOCK

2шт.

|$10

120 361

NUT, HEX

2шт.

8

1125 296 C1

FLASHER, TURN SIGNAL

1шт.

9

1220 651 H2

METER, HOUR

1шт.

10

25 555 R1

WASHER, FLAT

1шт.

11

1253 048 H1

KNOB, UTILITY

1шт.

12

23 979 R1

SCREW, FLAT HEAD

2шт.

13

1253 211 H91

CONTROL, LOCK

1шт.

14

1253 043 H1

BOLT, SHOULDER

2шт.

15

1253 026 H1

WASHER, BEARING

18шт.

16

120 437 H45

BEARING

10шт.

17

CONTROL ASSEMBLY, STEERING (SEE PG 05-010)

-29шт.

18

1253 197 H92

LEVER, TURN SIGNAL

1шт.

|$22

311 164 C91

CLAMP

1шт.

19

1434 815 H91

WHEEL, STEERING

1шт.

20

368 576 R1

NUT, STEERING WHEEL

1шт.

21

1434 817 H91

BUTTON, HORN

1шт.

22

1281 488 H1

COVER, CONSOLE

1шт.

23

180 020

BOLT

6шт.

24

158 663

STRAP, TIE

10шт.

25

1281 482 H91

CHANNEL WELDMENT, REAR

1шт.

26

1253 047 H91

LOCK, CONSOLE

2шт.

27

104 977 R1

RING, RETAINING

4шт.

28

1281 487 H91

CHANNEL WELDMENT, FRONT

1шт.

29

1281 471 H92

BRACKET, LOCK MOUNTING

1шт.

30

20 617 R1

BOLT

2шт.

|$35

25 708 R1

WASHER, FLAT

2шт.

31

1432 716 H1

RELAY - 24 VOLT

1шт.

32

1433 480 H1

RELAY - 12 VOLT

1шт.

|$38

180 020 R1

BOLT

2шт.

|$39

120 380

WASHER, LOCK

2шт.

33

27 291 R1

CLAMP, CABLE

2шт.

34

192 450

SCREW, SET

2шт.

35

180 122

BOLT

3шт.

|$43

28 422 R1

WASHER, FLAT

5шт.

36

1281 807 H1

SHAFT, LOWER

2шт.

37

1253 214 H1

GROMMET, BASE

1шт.

38

1431 905 H92

BASE WELDMENT

1шт.

39

102 458

SCREW, SET

2шт.

|$48

124 829

NUT, JAM

2шт.

40

180 020

BOLT

2шт.

41

390 303 C1

WASHER, FLAT

8шт.

42

1260 527 H1

PIN, LOCK MOUNT

2шт.

43

1432 672 H1

PAD, HOSE

1шт.

|$62

-1шт.

|$54

F1 - FOR REPLACEMENT, ORDER THE FOLLOWING:

-1шт.

|$55

1436 533 H1

FLASHER, TURN SIGNAL

1шт.

|$56

67 416

CLAMP, TUBE

1шт.

|$57

180 077

BOLT

1шт.

|$58

120 214

WASHER, LOCK

1шт.

|$59

120 376

NUT, HEX

1шт.

|$63

-1шт.

|$61

F2 - NOT USED ON S/N 203112 AND UP

-1шт.

|$64

-1шт.

Выбрано товаров: 63