Запчасти Komatsu GD530A WINDЗАЩИТН. ДВОРНИКИ МОТОР SUPERSTRUCTURE

Схема запчастей Komatsu GD530A - WINDЗАЩИТН. ДВОРНИКИ МОТОР SUPERSTRUCTURE
13
14
15
16
15
16
17
12
4
5
6
7
8
9
10
11
1
3
2
FIT
1:1
100%

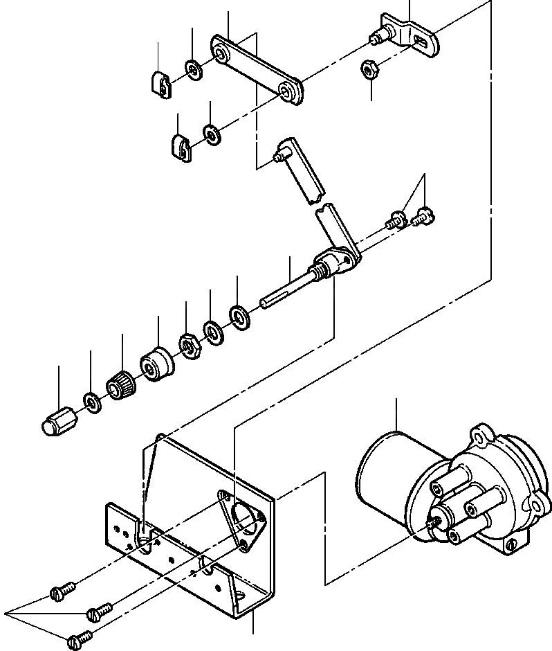
Артикул

Название

Примечание

Количество

|$0

1431 996 H91

MOTOR ASSEMBLY, WINDSHIELD WIPER

2шт.

1

1432 547 H1

MOTOR

1шт.

2

1432 548 H1

BRACKET

1шт.

3

79 621

SCREW, MACHINE

3шт.

4

1432 599 H1

SHAFT, PIVOT

1шт.

5

1432 541 H1

WASHER, FLAT

1шт.

6

1432 542 H1

WASHER, FLAT

1шт.

7

1432 543 H1

NUT, HEX

1шт.

8

1432 544 H1

CAP

1шт.

9

1432 545 H1

DRIVER, KNURLED

1шт.

10

44 883

WASHER, LOCK

1шт.

11

1432 546 H1

NUT, ACORN

1шт.

12

9418 630

SCREW

2шт.

13

1432 600 H1

ARM, DRIVE

1шт.

14

728 523 C1

LINK, CONNECTING

1шт.

15

79 620

WASHER, FLAT

2шт.

16

79 617

CLIP, SPRING

2шт.

17

1432 549 H1

NUT, HEX

1шт.

Выбрано товаров: 18