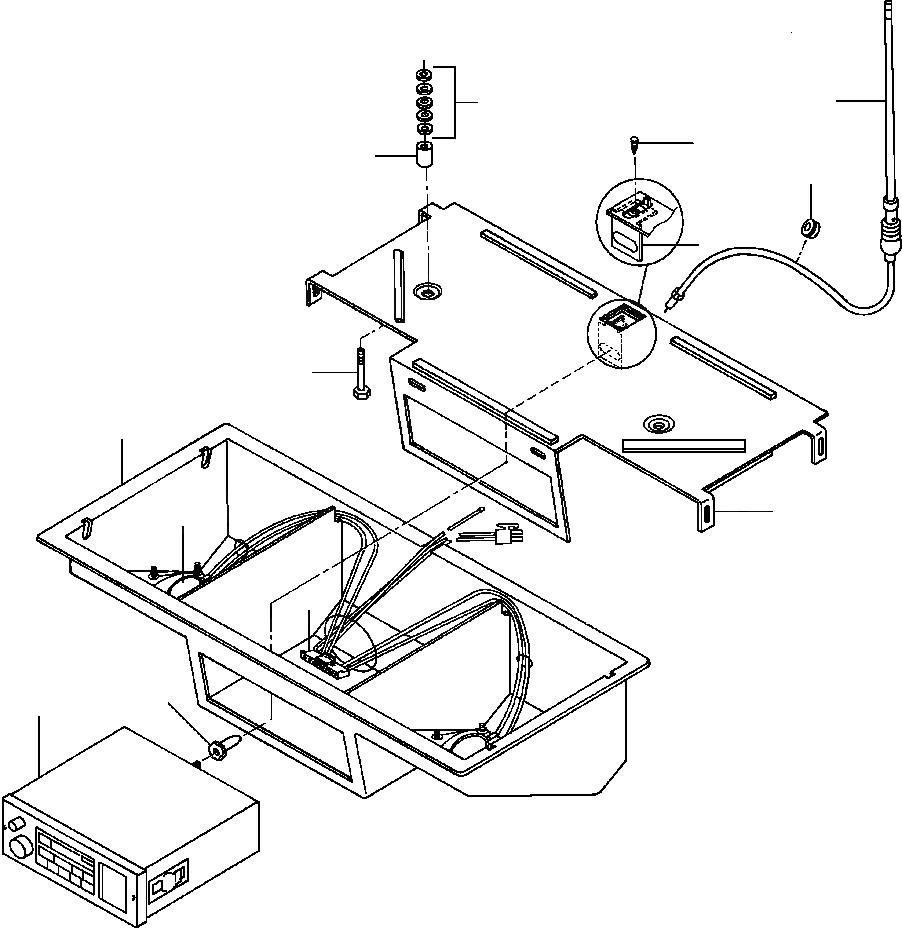
Запчасти Komatsu GD530A РАДИО УСТАНОВКА DIGITAL TUNER SUPERSTRUCTURE

Схема запчастей Komatsu GD530A - РАДИО УСТАНОВКА DIGITAL TUNER SUPERSTRUCTURE
9
13
8
12
10
7
11
3
6
4
5
2
1
FIT
1:1
100%

Артикул

Название

Примечание

Количество

|$0

1433 940 H91

RADIO INSTALLATION

1шт.

|$1

1431 316 H91

RADIO ASSEMBLY, AM/FM STEREO

1шт.

1

1434 714 H1

RADIO

1шт.

2

1434 921 H1

BUSHING, REAR

1шт.

3

1434 717 H1

HOUSING, RADIO/SPEAKER

1шт.

4

1434 718 H1

SPEAKER, 4 IN. DUAL CONE

2шт.

5

1434 719 H1

HARNESS, RADIO WIRING

1шт.

6

1434 715 H1

PLATE, ROOF MOUNTING

1шт.

7

1434 716 H1

BRACKET, REAR SUPPORT

1шт.

8

26 000 R1

SCREW, SHEET METAL

1шт.

9

1434 920 H1

ANTENNA

1шт.

10

187 540

GROMMET

1шт.

11

180 048

BOLT

2шт.

12

23 323 H

SPACER

a

2шт.

|$14

645 342 C1

SPACER - USE WITH SOUND INSULATION

b

2шт.

13

25 542 R1

WASHER, FLAT - USE WITH SOUND INSULATION

10шт.

|$21

-1шт.

|$17

F1 - AM/FM CASSETTE STEREO SAME AS ABOVE EXCEPT AS FOLLOWS:

-1шт.

|$18

1433 942 H91

RADIO INSTALLATION

1шт.

|$19

1432 603 H91

RADIO, AM/FM CASSETTE STEREO

1шт.

1

1434 922 H1

RADIO/CASSETTE

1шт.

Выбрано товаров: 21