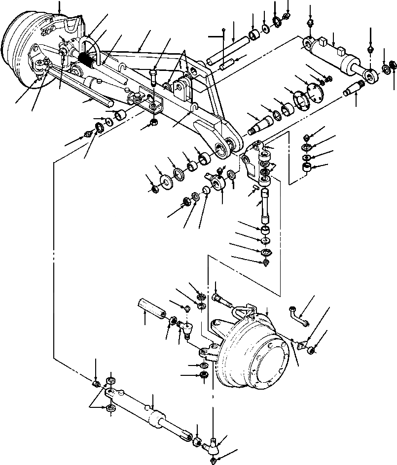
Запчасти Komatsu GD530A AWD ПЕРЕДНИЙ МОСТ С ПЕРЕДН. КРЫЛОS ПОДВЕСКА

Схема запчастей Komatsu GD530A - AWD ПЕРЕДНИЙ МОСТ С ПЕРЕДН. КРЫЛОS ПОДВЕСКА
1
16
12
55
2
10
18
6
54
17
3
7
18
9
20
8
15
35
34
33
32
19
31
19
30
20
39
43
29
55
21
21
44
23
12
22
14
45
5
24
13
28
27
14
12
36
26
25
18
13
8
11
19
22
37
3
38
11
19
12
20
4
13
14
48
42
43
47
44
46
49
50
39
40
41
16
43
53
42
51
52
40
41
44
13
14
FIT
1:1
100%

Артикул

Название

Примечание

Количество

|$0

1435 242 H91

AXLE ASSEMBLY, FRONT - AWD

1шт.

1

BOX, GEAR - L.H. (SEE PG 14-010)

-29шт.

2

158 212

GUARD, HOSE

2шт.

3

152 285

ROD ASSEMBLY, LEANING WHEEL

1шт.

4

63 096

BUSHING, BALL

2шт.

5

160 951

U-BOLT

2шт.

6

1434 403 H92

AXLE WELDMENT, FRONT

1шт.

7

140 310

STUD

2шт.

8

1432 454 H91

BEARING, THRUST

6шт.

9

82 193

PIN, COTTER

2шт.

10

1286 119 H93

SHAFT, AXLE PIVOT

1шт.

11

1439 532 H1

BUSHING

4шт.

12

158 211

PLATE, COVER

6шт.

13

99 311

RING, RETAINING

6шт.

14

109 461 L

FITTING, GREASE

6шт.

15

157 536 H45

PIN

1шт.

16

117 175

FITTING, GREASE - 45°

3шт.

17

CYLINDER, LEANING WHEEL (SEE PG 10-184)

-29шт.

18

117 175

FITTING, GREASE - 45°

3шт.

19

59 976

NUT, LOCK

5шт.

20

1430 896 H1

WASHER, FLAT

3шт.

21

160 696

PIN, LEANING WHEEL

2шт.

22

85 045

WASHER, FLAT

4шт.

23

140 255

NUT, HEX - L.H

1шт.

24

49 305

NUT, LOCK

2шт.

25

82 867

WASHER, FLAT

2шт.

26

1432 454 H91

BEARING, THRUST

4шт.

27

1432 458 H1

SPACER

2шт.

28

157 673

BUSHING

2шт.

29

157 912

PIN, PIVOT

2шт.

30

34 854

O-RING

2шт.

31

157 914

BUSHING

2шт.

32

71 489 C

GASKET

2шт.

33

157 915

COVER

2шт.

34

37 094

WASHER, LOCK

6шт.

35

25 752 R1

BOLT

6шт.

36

154 658

YOKE, STEERING - R.H

1шт.

|$37

157 918

YOKE, STEERING - L.H

1шт.

37

55 146

PIN, ROLL

2шт.

38

1439 522 H1

PIN, KING

2шт.

39

154 130

ROD, TIE

1шт.

40

219 776

NUT, HEX

3шт.

41

1435 357 H1

SOCKET ASSY

3шт.

|$43

1431 459 H91

SOCKET ASSY

3шт.

42

NSS

NUT, SLOTTED

1шт.

|$45

103 389

PIN, COTTER

1шт.

|$46

44 888

PIN, COTTER

3шт.

43

92 340

WASHER, FLAT

4шт.

44

109 461 L

FITTING, GREASE

4шт.

45

1435 356 H1

SOCKET ASSY

1шт.

|$50

1431 458 H91

SOCKET ASSY

1шт.

|$51

NSS

NUT, SLOTTED

1шт.

|$52

44 888

PIN, COTTER

1шт.

46

BOX, GEAR - R.H. (SEE PG 14-010)

-29шт.

47

162 294

EXTENSION, VALVE

2шт.

48

271 733

BOLT, RIBBED NECK

12шт.

49

110 748

CLAMP, RIM

12шт.

50

10 790

NUT, HEX

12шт.

51

CYLINDER, STEERING (SEE PG 10-182)

-29шт.

52

1438 185 H1

SPACER

4шт.

53

1430 806 H1

RING, RETAINING

12шт.

54

1435 600 H1

GUARD, AXLE

2шт.

55

1439 531 H1

BUSHING

2шт.

|$68

-1шт.

|$64

F1 - S/N 203631 AND UP

-1шт.

|$69

-1шт.

|$70

-1шт.

|$67

F2 - S/N 203630 AND DOWN

-1шт.

|$71

-1шт.

Выбрано товаров: 69