Запчасти Komatsu GD530A РЫЧАГ КОРОМЫСЛАS ГОЛОВКА ЦИЛИНДРОВ

Схема запчастей Komatsu GD530A - РЫЧАГ КОРОМЫСЛАS ГОЛОВКА ЦИЛИНДРОВ
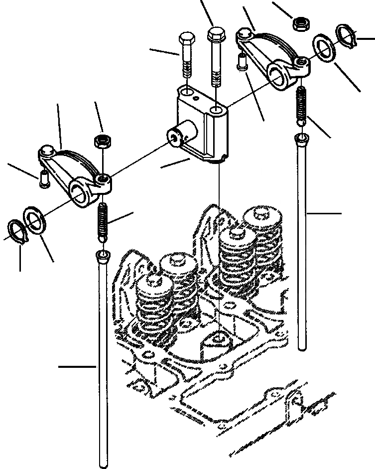
13
8
6
11
12
4
2
10
9
7
5
1
3
14
10
11
14
FIT
1:1
100%

Артикул

Название

Примечание

Количество

|$0

1240 376 H92

SUPPORT, ROCKER LEVER

6шт.

1

NSS

SUPPORT, ROCKER LEVER

1шт.

|$2

NSS

SHAFT, ROCKER LEVER

1шт.

2

1240 135 H92

LEVER, ROCKER INTAKE

6шт.

|$4

NSS

LEVER, ROCKER

1шт.

3

6732-41-5420

SCREW, SLOTTED SET (3/8 - 24x1 1/2 INCH)

1шт.

4

6735-41-5550

NUT, HEAVY HEXAGON (3/8 - 24 UNF)

1шт.

5

NSS

INSERT, ROCKER LEVER

1шт.

6

1240 134 H92

LEVER, ROCKER EXHAUST

6шт.

|$9

NSS

LEVER, ROCKER

1шт.

3

6732-41-5420

SCREW, SLOTTED SET (3/8 - 24x1 1/2 INCH)

1шт.

4

6735-41-5550

NUT, HEAVY HEXAGON (3/8 - 24 UNF)

1шт.

5

NSS

INSERT, ROCKER LEVER

1шт.

7

1240 126 H1

WASHER, PLAIN (M19)

12шт.

8

1240 125 H1

RING, RETAINING

12шт.

9

1240 171 H1

BOLT

6шт.

10

1240 244 H2

BOLT, (M8x1.25x75)

6шт.

11

1240 289 H2

ROD, PUSH

12шт.

12

6732-41-5180

BOLT

6шт.

13

6732-11-1640

BOLT

6шт.

14

6732-41-3111

ROD, PUSH

12шт.

Выбрано товаров: 21