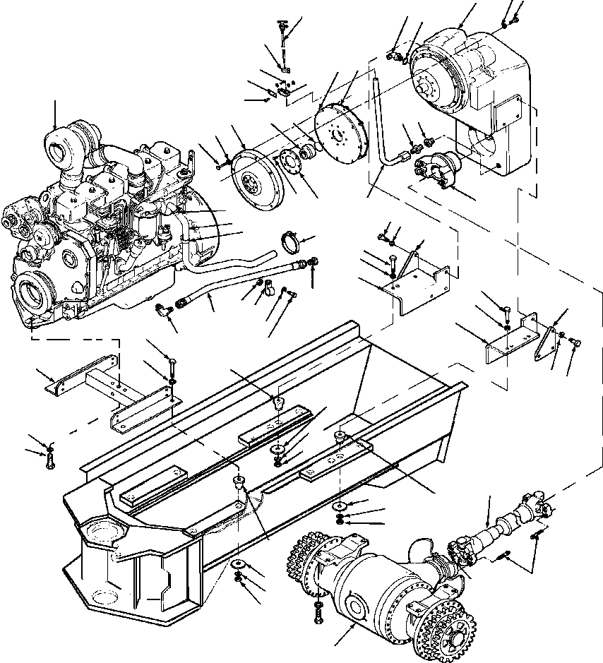
Запчасти Komatsu GD530A ПРИВОД ЛИНИЯ ПРИВОД TRAIN

Схема запчастей Komatsu GD530A - ПРИВОД ЛИНИЯ ПРИВОД TRAIN
19
21
14
11
15
10
22
23
13
8
9
1
12
6
49
5
4
3
25
16
26
24
20
27
28
2
9
38
50
51
52
31
51
45
52
50
44
41
32
40
43
29
39
42
30
53
36
28
27
54
52
30
55
37
46
54
53
52
55
33
34
47
30
35
48
7
17
18
FIT
1:1
100%

Артикул

Название

Примечание

Количество

1

ENGINE, KOMATSU S6D102E-1 (SEE PG 12-002)

-29шт.

2

HOSE, BREATHER - 36 IN. (SEE PG 12-002)

-29шт.

3

25 774 R1

BOLT

8шт.

4

25 534 R1

WASHER, FLAT

8шт.

5

FLYWHEEL (SEE PG E2-008)

-29шт.

6

1243 452 H1

SLEEVE

1шт.

7

630 402 C1

WASHER, SPECIAL

11шт.

8

161 595

PLATE

1шт.

9

CLAMP (SEE PG 12-002)

-29шт.

10

27 861 R1

CLAMP, HOSE

2шт.

11

122 851

DIPSTICK

1шт.

12

25 493 R1

BOLT

1шт.

|$12

30 175 R1

WASHER, FLAT

1шт.

|$13

25 520 R1

NUT, HEX

1шт.

13

931 431 R1

BOLT

1шт.

|$15

30 175 R1

WASHER, FLAT

1шт.

14

9410 981

ELBOW

1шт.

15

296 247 R1

O-RING

1шт.

16

1433 362 H1

TUBE, DIPSTICK

1шт.

17

9402 713

CONNECTOR

1шт.

18

150 615

BUSHING, REDUCER

1шт.

19

931 431 R1

BOLT

10шт.

20

CLAMP, HOSE (SEE PG 11-014)

-29шт.

21

TRANSMISSION (SEE PG 07-006)

-29шт.

22

PLATE ASSEMBLY, CONVERTER DRIVE (SEE PG 07-006)

-29шт.

23

PLATE, DRIVE (SEE PG 07-006)

-29шт.

24

RING (SEE PG 07-006)

-29шт.

25

BOLT (SEE PG 07-006)

-29шт.

26

YOKE (SEE PG 07-006)

-29шт.

27

27 437 R1

BOLT, LOCK PATCH

6шт.

28

25 548 R1

WASHER, FLAT

6шт.

29

BOLT (SEE PG 12-002)

-29шт.

30

WASHER, FLAT (SEE PG 12-002)

-29шт.

31

159 823

BRACKET, TRANSMISSION MOUNTING - R.H

1шт.

32

159 824

BRACKET, TRANSMISSION MOUNTING - L.H

1шт.

33

MOUNT, NATURAL RUBBER (SEE PG 12-002)

-29шт.

34

WASHER, FLAT (SEE PG 12-002)

-29шт.

35

NUT, LOCK (SEE PG 12-002)

-29шт.

36

SUPPORT WELDMENT, ENGINE (SEE PG 12-002)

-29шт.

37

BOLT (SEE PG 12-002)

-29шт.

38

386 170 C2

STRAP, TIE

1шт.

39

ELBOW (SEE PG 12-002)

-29шт.

40

HOSE (SEE PG 12-002)

-29шт.

41

CLAMP (SEE PG 12-002)

-29шт.

42

BOLT (SEE PG 12-002)

-29шт.

43

WASHER, FLAT (SEE PG 12-002)

-29шт.

44

NUT, HEX (SEE PG 12-002)

-29шт.

45

PLUG (SEE PG 12-002)

-29шт.

46

SHAFT, DRIVE (SEE PG 07-038)

-29шт.

47

80 290 R1

BOLT

8шт.

48

DRIVE ASSEMBLY, FINAL (SEE PG 07-042)

a

-29шт.

|$51

DRIVE ASSEMBLY, FINAL (SEE PG 07-040)

b

-29шт.

49

28 033 R1

O-RING

1шт.

50

1437 300 H1

PLATE, TRANSMISSION MOUNTING

2шт.

51

24 881 R1

BOLT

4шт.

52

25 537 R1

WASHER

8шт.

53

1437 243 H1

MOUNT, NATURAL RUBBER

4шт.

54

65 536

WASHER, FLAT

4шт.

55

9412 231

NUT

4шт.

Выбрано товаров: 59