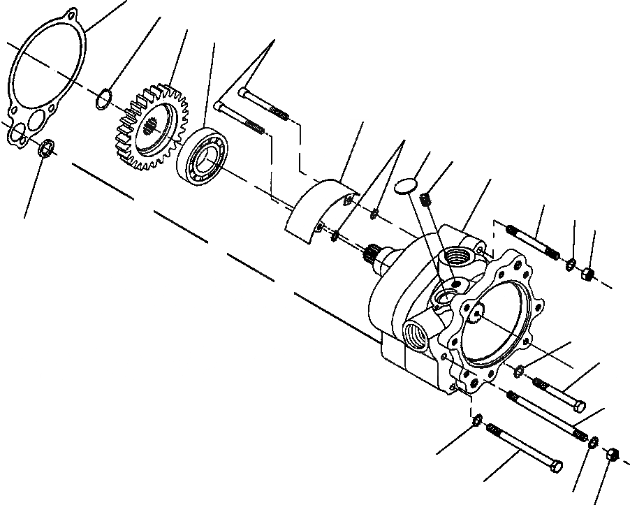
Запчасти Komatsu GD530A ПОДКАЧИВАЮЩ. НАСОС ПРИВОД TRAIN

Схема запчастей Komatsu GD530A - ПОДКАЧИВАЮЩ. НАСОС ПРИВОД TRAIN
10
1
2
8
3
7
9
5
6
4
17
12
16
11
12
13
15
12
14
12
16
FIT
1:1
100%

Артикул

Название

Примечание

Количество

|$0

TRANSMISSION (SEE PG 07-006)

-29шт.

|$1

1261 667 H91

PUMP ASSEMBLY, CHARGE

1шт.

1

42 057

RING, RETAINING

1шт.

2

149 575

GEAR

1шт.

3

149 574

BEARING

1шт.

4

1432 931 H1

PUMP, CHARGE

1шт.

|$6

1432 551 H1

O-RING - BETWEEN PUMP SECTIONS

1шт.

5

98 133

PLUG, EXPANSION

1шт.

6

1270 487 H1

SCREW, SET

1шт.

7

1285 916 H1

BAFFLE

1шт.

8

85 099

BOLT

2шт.

9

1278 959 H1

WASHER, STAR

2шт.

10

560 627 C1

GASKET, MANIFOLD

1шт.

11

149 578

O-RING

1шт.

12

60 918

WASHER, STAR

4шт.

13

82 087

BOLT

1шт.

14

82 093

BOLT

1шт.

15

134 382

STUD

1шт.

16

44 870

NUT, HEX

2шт.

17

134 383

STUD

1шт.

Выбрано товаров: 20