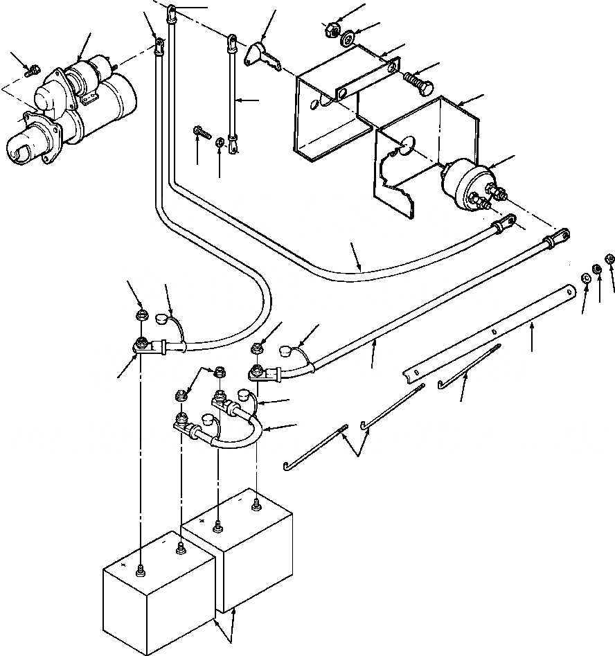
Запчасти Komatsu GD530A АККУМУЛЯТОР И СОЕДИН-ЕS С МАЧТАER ПЕРЕКЛЮЧАТЕЛЬ ЭЛЕКТР.

Схема запчастей Komatsu GD530A - АККУМУЛЯТОР И СОЕДИН-ЕS С МАЧТАER ПЕРЕКЛЮЧАТЕЛЬ ЭЛЕКТР.
26
21
3
19
25
17
22
18
24
23
11
20
9
10
19
2
4
16
15
2
6
14
2
13
5
3
8
12
7
12
1
FIT
1:1
100%

Артикул

Название

Примечание

Количество

1

1433 525 H1

BATTERY - WITH HANDLE

2шт.

2

476 074 C1

NUT, BATTERY

4шт.

3

1259 311 H1

CABLE, BATTERY - POSITIVE

1шт.

4

1234 987 H1

BOOT, TERMINAL STUD

1шт.

5

1252 287 H1

CABLE, BATTERY - NEGATIVE

1шт.

6

1234 987 H1

BOOT, TERMINAL STUD

1шт.

7

1214 543 H1

CABLE, BATTERY - JUMPER

1шт.

8

1234 987 H1

BOOT, TERMINAL STUD

2шт.

9

21 335 R1

BOLT

1шт.

10

390 305 C1

WASHER, FLAT

1шт.

11

1430 378 H1

CABLE, GROUND

1шт.

12

109 781

ROD, BATTERY CLAMP

3шт.

13

149 351

CLAMP, BATTERY

1шт.

14

25 553 R1

WASHER, FLAT

3шт.

15

120 382

WASHER, LOCK

3шт.

16

25 522 R1

NUT, HEX

3шт.

17

MOTOR, CRANKING (SEE PG 08-020)

-29шт.

18

30 976 R1

BOLT

3шт.

19

1260 592 H1

CABLE, BATTERY - NEGATIVE

1шт.

20

930 587 C4

SWITCH, KEY

1шт.

21

1214 890 H2

KEY

1шт.

22

1281 790 H1

COVER, UPPER

1шт.

23

1281 789 H1

COVER, LOWER

1шт.

24

25 222 R1

BOLT

2шт.

25

25 532 R1

WASHER, LOCK

2шт.

26

25 519 R1

NUT, HEX

2шт.

Выбрано товаров: 26