Запчасти Komatsu GD555-3 ГИДРОЛИНИЯ (ЭЛЕМЕНТЫ КРЕПЛЕНИЯ¤ ДЛЯ ТРУБЫ)(№-..) ГИДРАВЛИКА

Схема запчастей Komatsu GD555-3 - ГИДРОЛИНИЯ (ЭЛЕМЕНТЫ КРЕПЛЕНИЯ¤ ДЛЯ ТРУБЫ)(№-..) ГИДРАВЛИКА
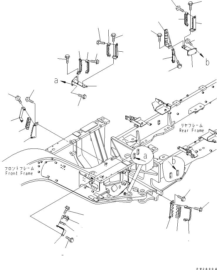
1
2
3
4
5
6
7
8
9
10
11
12
13
14
15
16
17
18
19
20
21
22
23
24
25
26
27
28
29
30
31
32
33
34
35
FIT
1:1
100%

Артикул

Название

Примечание

Количество

1

23B-60-35430

BRACKET

SN: 50001-@

2шт.

2

01435-01020

BOLT

SN: 50001-@

4шт.

3

23B-60-35420

CUSHION

SN: 50001-@

2шт.

4

23B-60-35410

CLAMP

SN: 50001-@

2шт.

5

01435-01065

BOLT

SN: 50001-@

4шт.

6

23B-60-35441

BRACKET

SN: 50001-..

1шт.

7

01435-01020

BOLT

SN: 50001-@

2шт.

8

23B-60-35451

CUSHION

SN: 50001-@

1шт.

9

23B-60-35462

CLAMP

SN: 51001-..

1шт.

9

23B-60-35461

CLAMP

SN: 50001-51000

1шт.

10

01435-01055

BOLT

SN: .-@

2шт.

10

01435-01050

BOLT

SN: 50001-.

2шт.

11

23B-60-35471

BRACKET,R.H.

SN: 50001-..

1шт.

12

01435-01020

BOLT

SN: 50001-@

2шт.

13

23B-60-35481

CUSHION

SN: 50001-..

1шт.

14

23B-60-35492

CLAMP

SN: 51001-..

1шт.

14

23B-60-35491

CLAMP

SN: 50001-51000

1шт.

15

01435-01055

BOLT

SN: .-@

2шт.

15

01435-01050

BOLT

SN: 50001-.

2шт.

16

23B-60-35510

BRACKET

SN: 50001-@

1шт.

17

01435-01020

BOLT

SN: 50001-@

4шт.

18

23B-60-35520

BRACKET

SN: 50001-@

1шт.

19

01435-01025

BOLT

SN: 50001-@

2шт.

20

23B-60-35540

CLAMP

SN: 50001-..

1шт.

21

01435-01055

BOLT

SN: .-@

2шт.

21

01435-01050

BOLT

SN: 50001-.

2шт.

22

23B-60-35530

BRACKET

SN: 50001-@

1шт.

23

01435-01025

BOLT

SN: 50001-@

2шт.

24

23B-60-35550

BRACKET

SN: 50001-..

1шт.

25

01435-01055

BOLT

SN: .-@

2шт.

25

01435-01050

BOLT

SN: 50001-.

2шт.

26

23B-60-35590

BRACKET

SN: 50001-@

1шт.

27

01435-01020

BOLT

SN: 50001-@

4шт.

28

23B-60-35610

BRACKET

SN: 50001-..

1шт.

29

01435-01025

BOLT

SN: 50001-@

2шт.

30

23B-60-35630

CLAMP

SN: 50001-..

1шт.

31

01435-01055

BOLT

SN: .-@

2шт.

31

01435-01050

BOLT

SN: 50001-.

2шт.

32

23B-60-35620

BRACKET

SN: 50001-@

1шт.

33

01435-01025

BOLT

SN: 50001-@

2шт.

34

23B-60-35640

CLAMP

SN: 50001-..

1шт.

35

01435-01055

BOLT

SN: .-@

2шт.

35

01435-01050

BOLT

SN: 50001-.

2шт.

Выбрано товаров: 43