Запчасти Komatsu GD555-3 КОНДИЦ. ВОЗДУХА (ВОЗДУХОВОДЫ)(№-) КАБИНА ОПЕРАТОРА И СИСТЕМА УПРАВЛЕНИЯ

Схема запчастей Komatsu GD555-3 - КОНДИЦ. ВОЗДУХА (ВОЗДУХОВОДЫ)(№-) КАБИНА ОПЕРАТОРА И СИСТЕМА УПРАВЛЕНИЯ
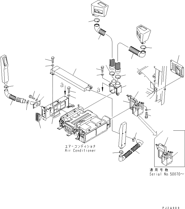
1
2
3
4
5
6
7
8
9
10
11
11
11A
11A
12
12
13
13
14
15
16
16
16
16
17
18
19
19
19
19
20
21
FIT
1:1
100%

Артикул

Название

Примечание

Количество

1

23B-809-7383

DUCT

SN: 50001-51000

1шт.

1

23B-809-8220

CUSHION

SN: 50001-51000

1шт.

1

23B-809-8240

CUSHION

SN: 50001-51000

1шт.

2

01010-81025

BOLT

SN: 50001-51000

3шт.

3

01643-31032

WASHER

SN: 50001-51000

3шт.

4

23B-809-7651

DUCT

SN: 50001-51000

1шт.

5

01010-81020

BOLT

SN: 50001-51000

5шт.

6

01643-31032

WASHER

SN: 50001-51000

5шт.

7

23B-809-8321

DUCT

SN: 50001-51000

1шт.

8

01010-81016

BOLT

SN: 50001-51000

4шт.

9

01643-31032

WASHER

SN: 50001-51000

4шт.

10

23B-809-7454

DUCT

SN: .-51000

1шт.

10

0

DUCT

SN: 50001-.

1шт.

11

23B-809-8153

DAMPER

SN: .-51000

1шт.

11

0

DAMPER

SN: 50001-.

1шт.

11A

22B-979-1740

FILTER

SN: 50001-51000

1шт.

12

01010-81016

BOLT

SN: 50001-51000

4шт.

13

01643-31032

WASHER

SN: 50001-51000

4шт.

14

23B-809-8632

HOSE,AIR

SN: 50001-51000

1шт.

15

23B-809-8622

HOSE,AIR

SN: 50001-51000

1шт.

16

07280-04726

CLAMP

SN: 50001-51000

4шт.

17

23B-809-8670

HOSE,(SEE FIG. K0210-16A0)

SN: 50001-..

1шт.

18

23B-809-8680

HOSE,(SEE FIG. K0210-16A0)

SN: 50001-..

1шт.

19

07281-00709

CLAMP,(SEE FIG. K0210-16A0)

SN: 50001-..

4шт.

20

421-07-23870

GRILLE

SN: 50001-51000

1шт.

21

23B-809-8941

LOUVER

SN: .-51000

1шт.

21

0

LOUVER

SN: 50001-.

1шт.

Выбрано товаров: 0