Запчасти Komatsu GD555-3 КОНСОЛЬН. БЛОК¤ ПРАВ. (ЭЛЕКТРИКА) (С АВАРИЙН. ПЕРЕКЛЮЧАТЕЛЬ И ПЕРЕДН. ОСВЕЩЕНИЕ)(№-.) КАБИНА ОПЕРАТОРА И СИСТЕМА УПРАВЛЕНИЯ

Схема запчастей Komatsu GD555-3 - КОНСОЛЬН. БЛОК¤ ПРАВ. (ЭЛЕКТРИКА) (С АВАРИЙН. ПЕРЕКЛЮЧАТЕЛЬ И ПЕРЕДН. ОСВЕЩЕНИЕ)(№-.) КАБИНА ОПЕРАТОРА И СИСТЕМА УПРАВЛЕНИЯ
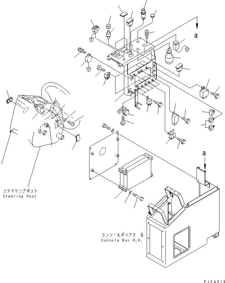
1
2
3
4
5
6
6
7
7
8
9
10
11
12
13
14
15
16
17
18
19
20
21
22
23
24
25
25
25
26
27
28
28
28
29
30
31
32
33
FIT
1:1
100%

Артикул

Название

Примечание

Количество

1

7821-25-2002

CONTROLLER

SN: 50001-@

1шт.

1

0

CONTROLLER

SN: (50001-@)

1шт.

2

01010-80880

BOLT

SN: 50001-.

4шт.

3

01643-30823

WASHER

SN: 50001-@

4шт.

4

23B-06-42570

SWITCH,LIFTER LOCK

SN: 50001-@

1шт.

5

23B-06-44391

PANEL

SN: 50001-.

1шт.

6

569-06-61960

RELAY

SN: 50001-@

8шт.

7

01435-00608

BOLT

SN: 50001-@

8шт.

8

203-06-56230

BUZZER ASS'Y

SN: 50001-@

1шт.

9

01435-00608

BOLT

SN: 50001-@

1шт.

10

23B-06-42431

BUZZER

SN: 50001-@

1шт.

11

01023-70520

SCREW

SN: 50001-@

1шт.

12

20Y-06-23471

LIGHTER,CIGAR

SN: 50001-@

1шт.

13

23B-06-42310

SWITCH,HEAD LAMP

SN: 50001-@

1шт.

14

205-06-71390

SWITCH,WIPER

SN: 50001-@

1шт.

15

42C-06-11410

DIAL

SN: 50001-@

1шт.

16

42C-06-11350

SWITCH,TRANSMISSION LOCK-UP

SN: 50001-@

1шт.

17

08086-20000

SWITCH,STARTING

SN: 50001-@

1шт.

18

01023-70614

SCREW

SN: 50001-@

4шт.

19

08064-10000

HORN SWITCH,RESET

SN: 50001-@

1шт.

20

23A-06-11570

SWITCH,MEMORY CLEAR

SN: 50001-@

2шт.

21

08163-02400

RELAY,HORN

SN: 50001-@

1шт.

22

01435-00608

BOLT

SN: 50001-@

2шт.

23

23D-06-33280

RELAY

SN: 50001-@

1шт.

24

01435-00614

BOLT

SN: 50001-@

1шт.

25

23B-06-44270

CAP

SN: 50001-@

6шт.

26

09415-01008

CAP

SN: 50001-@

1шт.

27

23B-06-42580

SWITCH,HEAD LAMP

SN: 50001-@

1шт.

28

23B-06-42590

SWITCH,TURN SIGNAL

SN: 50001-@

1шт.

29

23D-40-11110

SEAT

SN: 50001-@

1шт.

30

01640-20408

WASHER

SN: 50001-@

2шт.

31

23B-06-42320

SWITCH,HAZARD

SN: 50001-@

1шт.

32

416-06-22250

FLASHER

SN: 50001-@

1шт.

33

01435-00608

BOLT

SN: 50001-@

1шт.

Выбрано товаров: 34