Запчасти Komatsu GD555-3 ПОЛ Э/ПРОВОДКА И Э/ПРОВОДКА ТРАНСМИССИИ(№.-) КАБИНА ОПЕРАТОРА И СИСТЕМА УПРАВЛЕНИЯ

Схема запчастей Komatsu GD555-3 - ПОЛ Э/ПРОВОДКА И Э/ПРОВОДКА ТРАНСМИССИИ(№.-) КАБИНА ОПЕРАТОРА И СИСТЕМА УПРАВЛЕНИЯ
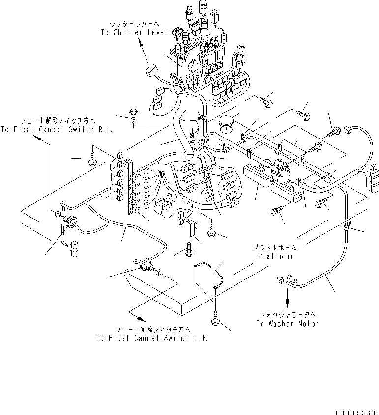
1
2
2
2
2
3
4
5
6
7
7
7
7
8
8
8
8
8
9
10
11
12
13
14
15
16
17
17
18
18
19
20
25
26
27
FIT
1:1
100%

Артикул

Название

Примечание

Количество

1

23B-06-41314

WIRING HARNESS

SN: 50001-51000

1шт.

2

23B-06-41347

WIRING HARNESS

SN: 50001-51000

1шт.

2

23B-06-41346

WIRING HARNESS

SN: .-51000

1шт.

3

08044-01500

BOX,FUSE

SN: .-51000

1шт.

3

08041-01000

FUSE, 10A

SN: .-51000

6шт.

3

08041-02000

FUSE, 20A

SN: .-51000

13шт.

4

23B-06-44331

BRACKET

SN: 50001-51000

1шт.

5

23B-06-44411

BRACKET

SN: 50001-51000

1шт.

6

23B-06-44431

BRACKET

SN: 50001-51000

1шт.

7

01435-01016

BOLT

SN: .-51000

9шт.

8

04434-51410

CLIP

SN: .-51000

8шт.

9

01435-01016

BOLT

SN: .-51000

3шт.

10

09415-05016

CAP

SN: 50001-51000

1шт.

11

01435-01016

BOLT

SN: 50001-51000

2шт.

12

04434-51810

CLIP

SN: 50001-51000

1шт.

13

04434-52210

CLIP

SN: 50001-51000

1шт.

14

23D-06-31370

CABLE,EARTH

SN: 50001-51000

1шт.

15

01435-01016

BOLT

SN: 50001-51000

2шт.

16

01435-01016

BOLT

SN: 50001-51000

1шт.

17

01023-10620

SCREW

SN: 50001-51000

4шт.

18

23B-06-31180

GROMMET

SN: 50001-51000

2шт.

19

23B-06-41520

BRACKET

SN: .-51000

1шт.

20

01435-01016

BOLT

SN: .-51000

1шт.

25

23B-06-41716

WIRING HARNESS,TRANSMISSION CONTROL

SN: 50001-51000

1шт.

26

04434-50810

CLIP

SN: .-51000

1шт.

27

01435-01016

BOLT

SN: .-51000

1шт.

Выбрано товаров: 26