Запчасти Komatsu GD555-3 CIRCLE ВРАЩ.LVING¤ / (С СРЕЗН. ШТИФТ) РАБОЧЕЕ ОБОРУДОВАНИЕ

Схема запчастей Komatsu GD555-3 - CIRCLE ВРАЩ.LVING¤ / (С СРЕЗН. ШТИФТ) РАБОЧЕЕ ОБОРУДОВАНИЕ
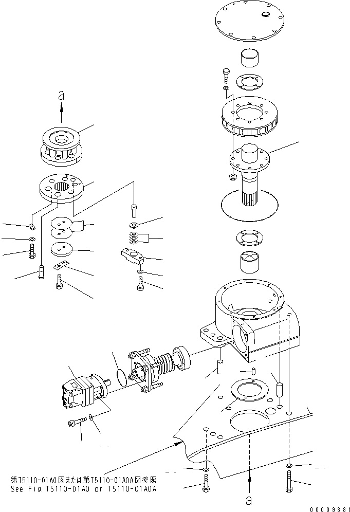
1
2
3
4
5
6
7
8
9
10
11
12
13
14
15
16
17
18
19
20
21
22
23
23
24
25
25
26
FIT
1:1
100%

Артикул

Название

Примечание

Количество

1

23B-70-52152

GEAR

SN: .-UP

1шт.

1

0

GEAR

SN: 50001-.

1шт.

2

23B-70-52381

GEAR

SN: .-UP

1шт.

2

0

GEAR

SN: 50001-.

1шт.

3

23B-70-52370

SHAFT

SN: 50001-UP

1шт.

4

23E-70-35140

PLATE

SN: 50001-UP

1шт.

5

23E-70-35150

CASE

SN: 50001-UP

1шт.

6

01010-81030

BOLT

SN: 50001-UP

2шт.

7

01643-31032

WASHER

SN: 50001-UP

2шт.

8

23E-70-35160

SPRING

SN: 50001-UP

12шт.

9

234-71-13350

PLATE

SN: 50001-UP

1шт.

10

01010-80820

BOLT

SN: 50001-UP

1шт.

11

01643-30823

WASHER

SN: 50001-UP

1шт.

12

23B-70-52220

PLATE

SN: 50001-UP

1шт.

13

04020-01024

PIN

SN: 50001-UP

2шт.

14

235-70-15850

HOLDER

SN: 50001-UP

1шт.

15

235-70-15870

SHIM, 0.5MM

SN: 50001-UP

6шт.

15

235-70-15860

SHIM, 1.0MM

SN: 50001-UP

4шт.

15

235-70-15880

SHIM, 0.2MM

SN: 50001-UP

5шт.

16

01010-81235

BOLT

SN: 50001-UP

2шт.

17

04081-05512

LOCK

SN: 50001-UP

1шт.

18

01252-41035

BOLT

SN: 50001-UP

4шт.

19

01643-31032

WASHER

SN: 50001-UP

4шт.

20

23B-70-16240

O-RING

SN: 50001-UP

1шт.

21

234-71-13443

PIN

SN: 50001-UP

1шт.

22

23B-62-31100

MOTOR ASS'Y

SN: 50001-UP

1шт.

23

232-71-13151

PIN

SN: .-UP

2шт.

23

232-71-13150

PIN

SN: 50001-.

2шт.

24

01010-82465

BOLT

SN: .-UP

2шт.

24

01010-82460

BOLT

SN: 50001-.

2шт.

25

01643-32460

WASHER

SN: 50001-UP

4шт.

26

01010-82470

BOLT

SN: .-UP

2шт.

26

01010-82460

BOLT

SN: 50001-.

2шт.

Выбрано товаров: 33