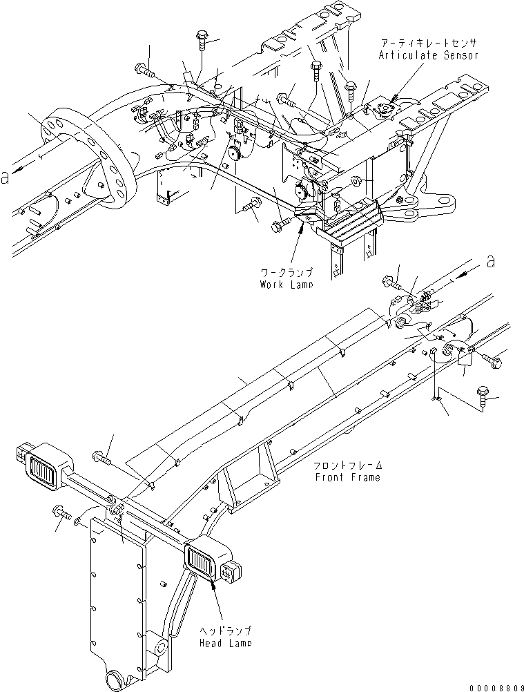
Запчасти Komatsu GD555-3 ПЕРЕДН. РАМА Э/ПРОВОДКА (С ОТВАЛ АККУМУЛЯТОР)(№-) ЭЛЕКТРИКА

Схема запчастей Komatsu GD555-3 - ПЕРЕДН. РАМА Э/ПРОВОДКА (С ОТВАЛ АККУМУЛЯТОР)(№-) ЭЛЕКТРИКА
1
1
2
3
3
4
5
6
7
8
9
10
10
10
11
12
13
14
14
14
15
15
16
16
17
18
25
25
26
27
28
29
29
30
30
31
FIT
1:1
100%

Артикул

Название

Примечание

Количество

1

23B-06-41420

WIRING HARNESS

SN: 51001-UP

1шт.

2

23B-06-41352

WIRING HARNESS

SN: 50001-UP

1шт.

3

04434-51010

CLIP

SN: 51001-UP

2шт.

4

01435-01016

BOLT

SN: 5O001-UP

2шт.

5

08193-21012

CLIP

SN: 5O001-UP

1шт.

6

01435-01016

BOLT

SN: 5O001-UP

1шт.

7

01435-01016

BOLT

SN: 5O001-UP

4шт.

8

08193-21012

CLIP

SN: 5O001-UP

1шт.

9

01435-01016

BOLT

SN: 5O001-UP

2шт.

10

04434-51410

CLIP

SN: 51001-UP

1шт.

11

01435-01016

BOLT

SN: 51001-UP

1шт.

12

04434-51010

CLIP

SN: 51001-UP

5шт.

13

01435-01016

BOLT

SN: 50001-UP

5шт.

14

08034-20519

BAND,(WITHOUT ACCUMULATOR)

SN: 51001-UP

3шт.

15

08193-21012

CLIP,(WITHOUT ACCUMULATOR)

SN: 51001-UP

1шт.

16

01435-01016

BOLT,(WITHOUT ACCUMULATOR)

SN: 51001-UP

1шт.

17

04434-51010

CLIP

SN: 50001-UP

6шт.

18

01435-01016

BOLT

SN: 50001-UP

6шт.

25

04434-51010

CLIP

SN: 51001-UP

4шт.

26

01435-00820

BOLT

SN: 50001-UP

2шт.

27

01584-00806

NUT

SN: 50001-UP

2шт.

28

23B-06-41430

WIRING HARNESS,(WITH ACCUMULATOR)

SN: 51001-UP

1шт.

29

04434-51410

CLIP,(WITH ACCUMULATOR)

SN: 51001-UP

5шт.

30

01435-01016

BOLT,(WITH ACCUMULATOR)

SN: 50001-UP

5шт.

31

08193-21012

CLIP

SN: 50001-UP

1шт.

Выбрано товаров: 25