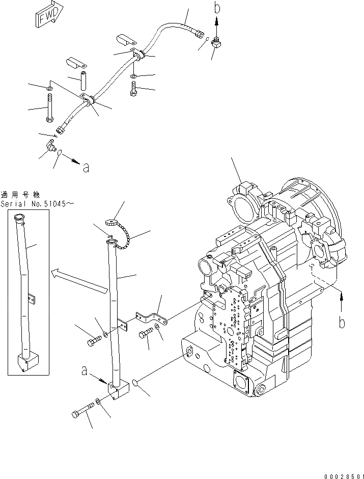
Запчасти Komatsu GD555-3 ТРАНСМИССИЯ И МАСЛОНАЛИВНОЙ ПАТРУБОК(№8-) ТРАНСМИССИЯ

Схема запчастей Komatsu GD555-3 - ТРАНСМИССИЯ И МАСЛОНАЛИВНОЙ ПАТРУБОК(№8-) ТРАНСМИССИЯ
1
1
2
3
4
5
6
7
8
9
9
10
10
11
12
13
13
14
15
16
17
17
18
18
19
20
21
22
23
FIT
1:1
100%

Артикул

Название

Примечание

Количество

1

23B-16-31781

TUBE

SN: 51045-UP

-1шт.

1

23B-16-31780

TUBE

SN: 51038-51044

-1шт.

2

23B-16-31562

GAUGE

SN: 51038-UP

-1шт.

3

613-62-17120

CAP

SN: 50001-UP

-1шт.

4

613-62-17190

CHAIN

SN: 50001-UP

-1шт.

5

01011-81005

BOLT

SN: 51038-UP

-1шт.

6

01643-51032

WASHER

SN: .-UP

-1шт.

7

07000-13035

O-RING

SN: 50001-UP

-1шт.

8

23B-16-31462

BRACKET

SN: 50001-UP

-1шт.

9

01010-81025

BOLT

SN: .-UP

-1шт.

10

01643-31032

WASHER

SN: .-UP

-1шт.

11

02782-10422

ELBOW

SN: 51038-UP

-1шт.

12

07002-12034

O-RING

SN: 51038-UP

-1шт.

13

02896-11012

O-RING

SN: 51038-UP

-1шт.

14

02762-00412

HOSE

SN: 51038-UP

-1шт.

15

23B-16-31770

ELBOW

SN: 51038-UP

-1шт.

16

615-15-15490

SPACER

SN: 51038-UP

-1шт.

17

04434-52711

CLIP

SN: 51038-UP

-1шт.

18

07095-20418

CUSHION

SN: 51038-UP

-1шт.

19

01011-81040

BOLT

SN: 51038-UP

-1шт.

20

01643-31032

WASHER

SN: 51038-UP

-1шт.

21

01010-81025

BOLT

SN: 51038-UP

-1шт.

22

01643-31032

WASHER

SN: 51038-UP

-1шт.

23

714-23-10001

TRANSMISSION ASS'Y

SN: 51045-UP

-1шт.

23

714-23-10000

TRANSMISSION ASS'Y

SN: 50001-51044

-1шт.

Выбрано товаров: 25