Запчасти Komatsu GD555-3A ПЕРЕДНИЙ МОСТ (ПОПЕРЕЧНАЯ РУЛЕВ. ТЯГА) ТРАНСМИССИЯ

Схема запчастей Komatsu GD555-3A - ПЕРЕДНИЙ МОСТ (ПОПЕРЕЧНАЯ РУЛЕВ. ТЯГА) ТРАНСМИССИЯ
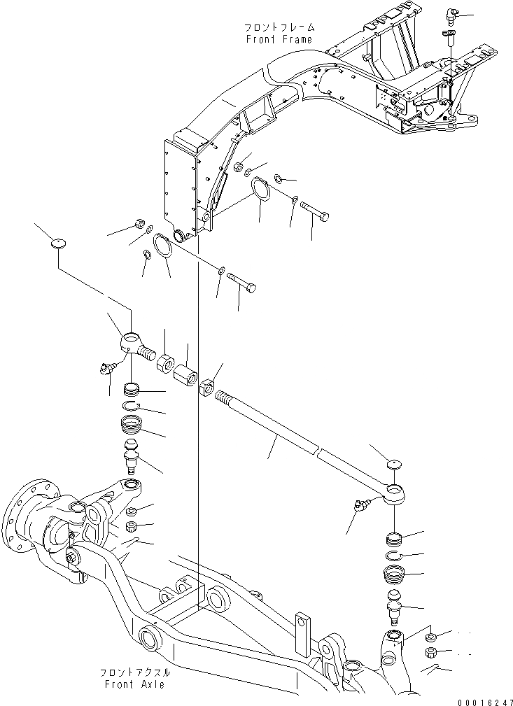
1
2
3
4
5
6
6
7
7
8
8
9
9
10
10
11
11
12
12
13
13
14
14
15
15
16
17
17
18
18
19
19
20
20
20
20
FIT
1:1
100%

Артикул

Название

Примечание

Количество

1

23B-27-11441

ROD

SN: 10001-UP

1шт.

2

23B-27-31410

ROD,TIE

SN: 10001-UP

1шт.

3

23B-27-11460

JOINT

SN: 10001-UP

1шт.

4

23B-27-11450

NUT

SN: 10001-UP

1шт.

5

01583-13923

NUT

SN: 10001-UP

1шт.

6

23B-27-11800

BUSHING ASS'Y

SN: 10001-UP

2шт.

7

23B-27-31570

RING

SN: 10001-UP

2шт.

8

23B-27-31840

BOOT

SN: 10001-UP

2шт.

8

23B-27-11910

RING,SNAP

SN: 10001-UP

1шт.

8

23B-27-11920

RING,SNAP

SN: 10001-UP

1шт.

9

23B-27-31590

STUD,BALL (KIT)

SN: 10001-UP

2шт.

9

\4\23B-27-11553

STUD,(23B-27-31590) BALL

SN: 10001-11000

2шт.

10

01592-32427

NUT (KIT)

SN: 11001-UP

2шт.

11

23B-27-31550

WASHER (KIT)

SN: 11001-UP

2шт.

12

04050-15045

PIN (KIT)

SN: 11001-UP

2шт.

13

23B-27-11360

PLUG (KIT)

SN: 11001-UP

2шт.

14

07020-00900

FITTING,GREASE

SN: 10001-UP

2шт.

15

23B-46-11220

WASHER

SN: 10001-UP

2шт.

16

07020-00675

FITTING,GREASE

SN: 10001-UP

1шт.

17

23B-46-31810

O-RING

SN: .-UP

2шт.

18

419-70-11490

BOLT

SN: .-UP

2шт.

19

01596-00606

NUT

SN: .-UP

2шт.

20

01640-20610

WASHER

SN: .-UP

4шт.

|$$24

SERVICE KIT

-1шт.

K

23B-27-31690

SERVICE KIT

SN: 11001-UP

1шт.

Выбрано товаров: 25