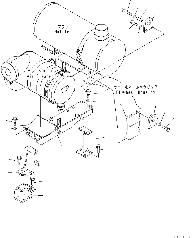
Запчасти Komatsu GD555-3A ВПУСК ВОЗДУХА (ВОЗДУХООЧИСТИТЕЛЬ ЭЛЕМЕНТЫ КРЕПЛЕНИЯ)(№-) КОМПОНЕНТЫ ДВИГАТЕЛЯ

Схема запчастей Komatsu GD555-3A - ВПУСК ВОЗДУХА (ВОЗДУХООЧИСТИТЕЛЬ ЭЛЕМЕНТЫ КРЕПЛЕНИЯ)(№-) КОМПОНЕНТЫ ДВИГАТЕЛЯ
1
2
3
4
5
6
6
7
7
8
9
10
10
11
11
12
12
13
14
15
FIT
1:1
100%

Артикул

Название

Примечание

Количество

1

23A-02-33171

BRACKET

SN: 10001-11000

1шт.

2

01435-01025

BOLT

SN: 10001-@

3шт.

3

23A-02-33151

BRACKET

SN: 10001-11000

1шт.

4

01435-01020

BOLT

SN: 10001-@

3шт.

5

23A-02-33111

BRACKET

SN: 10001-11000

1шт.

6

01435-01035

BOLT

SN: 10001-@

4шт.

7

01643-31232

WASHER

SN: 10001-@

4шт.

8

23A-02-33121

BRACKET

SN: 10001-11000

1шт.

9

01435-01225

BOLT

SN: 10001-@

2шт.

10

23B-02-33160

PLATE

SN: 10001-11000

2шт.

11

01010-81240

BOLT

SN: 10001-11000

3шт.

12

01643-31232

WASHER

SN: 10001-11000

3шт.

13

12S-43-16270

SPACER

SN: 10001-11000

1шт.

14

01010-81295

BOLT

SN: 10001-11000

1шт.

15

01643-31232

WASHER

SN: 10001-11000

1шт.

Выбрано товаров: 15