Запчасти Komatsu GD555-3A ВПУСК ВОЗДУХА (ВОЗДУХООЧИСТИТЕЛЬ ЭЛЕМЕНТЫ КРЕПЛЕНИЯ)(№-) КОМПОНЕНТЫ ДВИГАТЕЛЯ

Схема запчастей Komatsu GD555-3A - ВПУСК ВОЗДУХА (ВОЗДУХООЧИСТИТЕЛЬ ЭЛЕМЕНТЫ КРЕПЛЕНИЯ)(№-) КОМПОНЕНТЫ ДВИГАТЕЛЯ
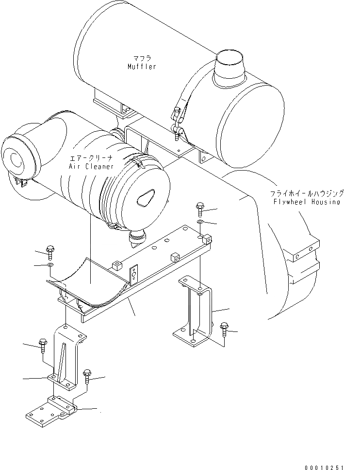
1
2
3
4
5
6
6
7
7
8
9
FIT
1:1
100%

Артикул

Название

Примечание

Количество

1

23A-02-35170

BRACKET

SN: 11001-UP

1шт.

2

01435-01025

BOLT

SN: 11001-UP

3шт.

3

23A-02-35150

BRACKET

SN: 11001-UP

1шт.

4

01435-01020

BOLT

SN: 11001-UP

2шт.

5

23A-02-35110

BRACKET

SN: 11001-UP

1шт.

6

01435-01035

BOLT

SN: 11001-UP

4шт.

7

01643-31232

WASHER

SN: 11001-UP

4шт.

8

23A-02-33122

BRACKET

SN: 11001-UP

1шт.

9

01435-01225

BOLT

SN: 11001-UP

2шт.

Выбрано товаров: 9