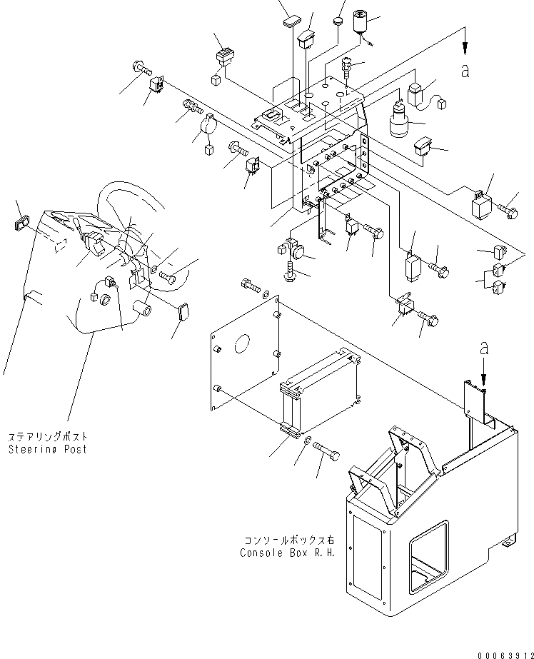
Запчасти Komatsu GD555-3A КОНСОЛЬН. БЛОК¤ ПРАВ. (ЭЛЕКТРИКА) (С АВАРИЙН. ПЕРЕКЛЮЧАТЕЛЬ И ПЕРЕДН. ОСВЕЩЕНИЕ) (С КАБИНОЙ) (ЧАСТИ КОРПУСА)(№-) КАБИНА ОПЕРАТОРА И СИСТЕМА УПРАВЛЕНИЯ

Схема запчастей Komatsu GD555-3A - КОНСОЛЬН. БЛОК¤ ПРАВ. (ЭЛЕКТРИКА) (С АВАРИЙН. ПЕРЕКЛЮЧАТЕЛЬ И ПЕРЕДН. ОСВЕЩЕНИЕ) (С КАБИНОЙ) (ЧАСТИ КОРПУСА)(№-) КАБИНА ОПЕРАТОРА И СИСТЕМА УПРАВЛЕНИЯ
1
2
3
4
5
6
6
7
8
8
8
9
10
11
12
13
14
15
16
17
18
19
20
21
22
23
24
24
24
25
26
27
27
27
28
29
30
31
32
FIT
1:1
100%

Артикул

Название

Примечание

Количество

1

7821-25-2006

CONTROLLER

SN: 11318-UP

1шт.

1

7821-25-2005

CONTROLLER

SN: 11277-11317

1шт.

1

7821-25-2004

CONTROLLER

SN: 11265-11276

1шт.

1

7821-25-2002

CONTROLLER

SN: 11001-11264

1шт.

1

0

CONTROLLER

SN: (11001-11169)

1шт.

2

01010-80885

BOLT

SN: 11001-UP

4шт.

3

01643-30823

WASHER

SN: 11001-UP

4шт.

4

23B-06-42570

SWITCH,LIFTER LOCK

SN: 11001-UP

1шт.

5

23B-06-44391

PANEL

SN: 11001-UP

1шт.

6

569-06-61960

RELAY

SN: 11001-UP

7шт.

7

569-06-61970

RELAY

SN: 11001-UP

1шт.

8

01435-00608

BOLT

SN: 11001-UP

8шт.

9

203-06-56230

BUZZER ASS'Y

SN: 11001-UP

1шт.

10

01435-00608

BOLT

SN: 11001-UP

1шт.

11

23B-06-42431

BUZZER

SN: 11001-UP

1шт.

12

01023-70520

SCREW

SN: 11001-UP

1шт.

13

23B-06-42310

SWITCH,HEAD LAMP

SN: 11001-UP

1шт.

14

42C-06-11350

SWITCH,TRANSMISSION LOCK-UP

SN: 11001-UP

1шт.

15

08086-20000

SWITCH,STARTING

SN: 11001-UP

1шт.

16

01023-70614

SCREW

SN: 11001-UP

4шт.

17

08064-10000

HORN SWITCH,RESET

SN: 11001-UP

1шт.

18

26A-06-11570

SWITCH,MEMORY CLEAR

SN: 11001-UP

2шт.

19

08163-02400

RELAY,HORN

SN: 11001-UP

1шт.

20

01435-00608

BOLT

SN: 11001-UP

2шт.

21

23D-06-33280

RELAY

SN: 11001-UP

1шт.

22

01435-00614

BOLT

SN: 11001-UP

1шт.

23

23B-06-42440

LAMP,LAMP

SN: 11001-UP

1шт.

24

23B-06-44270

CAP

SN: 11001-UP

6шт.

25

09415-01008

CAP

SN: 11001-UP

1шт.

26

23B-06-42580

SWITCH,HEAD LAMP

SN: 11001-UP

1шт.

27

23B-06-42590

SWITCH,TURN SIGNAL

SN: 11001-UP

1шт.

28

23D-40-11110

SEAT

SN: 11001-UP

1шт.

29

01640-20408

WASHER

SN: 11001-UP

2шт.

30

23B-06-42321

SWITCH,HAZARD

SN: 11123-UP

1шт.

30

23B-06-42320

SWITCH,HAZARD

SN: 11001-11122

1шт.

31

416-06-22250

FLASHER

SN: 11001-UP

1шт.

32

01435-00608

BOLT

SN: 11001-UP

1шт.

Выбрано товаров: 0