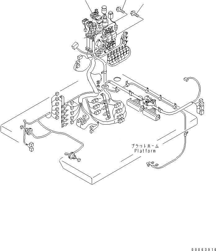
Запчасти Komatsu GD555-3A РАБОЧ. ОСВЕЩЕНИЕ ПЕРЕКЛЮЧАТЕЛЬ КАБИНА ОПЕРАТОРА И СИСТЕМА УПРАВЛЕНИЯ

Схема запчастей Komatsu GD555-3A - РАБОЧ. ОСВЕЩЕНИЕ ПЕРЕКЛЮЧАТЕЛЬ КАБИНА ОПЕРАТОРА И СИСТЕМА УПРАВЛЕНИЯ
1
2
3
4
5
FIT
1:1
100%

Артикул

Название

Примечание

Количество

1

569-06-61970

RELAY

SN: 11001-UP

1шт.

2

01435-00608

BOLT

SN: 11001-UP

1шт.

3

42C-06-11350

SWITCH

SN: 11001-UP

1шт.

4

569-06-61960

RELAY

SN: 11001-UP

1шт.

5

01435-00608

BOLT

SN: 11001-UP

1шт.

Выбрано товаров: 0